Tähtitieteellinen yhdistys Ursa
Radiotekniikka
Sisältö
Johdanto
Radioastronomisia havaintoja tehdään monilla eri tavoilla, eri radiotaajuuksilla hertseistä, tai ainakin kymmenestä megahertsistä terahertseihin ja hyvin erilaisista kohteista ja erilaisia menetelmiä käyttäen. Siksi radiovastaanotinkokonaisuus kasataan kyseiseen projektiin sopivista yksiköistä ja laitteista. Vaikka radiotekniikka olisikin vierasta, aina voi oppia uutta ja todennäköisesti, jos sekaannut johonkin tällaiseen projektiin, sinun pitää edes hiukan ymmärtää mitä ihmeen laatikoita kaapeleiden väliin oikein on kytketty ja miksi, joskus jopa aivan komponenttitasolle asti. Aivan kaikkea ei näillä sivuilla voi selittää juurta jaksaen, joten tässä sovelletaan valitettavasti sitä kuuluisaa latvasta-puuhun-metodia, mutta lisää tietoa voi ja pitääkin etsiä muista lähteistä. Matemaattisia kaavoja ja asian ymmärtämisen kannalta epäolennaisia yksiköitä ja ilmaisuja on tällä sivulla tarkoituksellisesti vältetty, eikä ei ole rajoituttu tarkastelemaan vain tietynlaiseen havainnointiin soveltuvia laiteratkaisuja, vaan on keskitytty vastaanotintekniikan yleisiin periaatteisiin ja käsitteisiin, toimilohkoihin ja niiden ominaisuuksiin ja toteutukseen sikäli, kun se on tilankäytön suhteen mielekästä. Käytetyt mittayksiköt eivät ehkä ole juuri niitä, mitä radioastronomiassa käytetään, mutta ovat yleensä kyllä muunnettavissa niihinkin. Sama tilanne vallitsee vastaanottimen lohkoista, tai yksiköistä käytetyissä nimityksissä.
Tarkoitus
Usein radiovastaanottimien tarkoituksena on muuntaa sähkömagneettisena värähtelynä valonnopeudella kulkeva radiotaajuinen energia ihmisaistien ulottuville. Yleisradiovastaanottimista kaikille tuttu tapa tehdä tämä, on muuntaa nämä suurtaajuussignaalit (RF) eri välivaiheiden kautta lopulta ääni-, tai kuvainformaatioksi.
Radioastronomiassa ei ole läheskään aina mahdollista, tai mielekästä kuunnella vastaanotettua signaalia. Paremminkin tarkoituksena on mitata taivaalta tulevan radiosäteilyn ominaisuuksia ja työstää esim. karttoja taivaan eri alueiden radiosäteilyn vuonvoimakkuuksista, tai tutkia jonkin kohteen tilastollisia ominaisuuksia, kuten mm. emission voimakkuutta (kirkkautta), tai polarisaatiota, punasiirtymää, spektriä ja niissä esiintyviä ajallisia vaihteluja, yms.
Tämä ei kuitenkaan yleensä vaikuta paljoakaan itse radiovastaanottimen tekniseen toteutukseen, varsinkaan sen ns. etupäässä. Signaalin prosessointi vastanottimen loppupäässä, ns. A/D-muunnosvaiheessa ja siitä eteenpäin, onkin jo eri juttu ja onko se oikeastaan edes radiotekniikkaa?
Mitä toimilohkoja vastaanottimessa yleensä on?
Vastaanottimen (kaksois-super) esimerkkilohkokaaviossa antennista tulevaa 1,5 GHz:n signaalia (vas.) vahvistetaan ensin ja rajataan hiukan suotimilla taajuuskaistaa. Sen jälkeen RF-signaali sekoitetaan ensimmäisessä sekoittimessa injektiotaajuuden (1st LO, 1. paikallisosk.) kanssa (tässä esimerkissä: Flo-Frf=Fif). Muut sekoitustulokset suodatetaan pois, jonka jälkeen saatu välitaajuus (1st IF, 1. välitaajuus) on riittävän matala esimerkiksi siirrettäväksi vähäisillä häviöillä koaksiaalikaapelilla vastaanottimen seuraavalle asteelle, tai muuten edelleen muokattavaksi. Yleensä välitaajuussignaalia suodatetaan kaistanpäästösuotimilla lisää ja seuraavissa (1...3 kpl) sekoitus/vahvistinasteissa vahvistetaan ja suodatetaan, kunnes viimeisestä välitaajuusasteesta saatu signaali on taajuuskaistaltaan halutun levyinen ja jännitetasoltaan riittävän korkea esim. ilmaisinasteelle, tai muuten prosessoitavaksi. Kokonaisjännitevahvistus vastaanottimessa on noin huikea, noin 1 000 000 ... 100 000 000 000-kertainen.
Oikeita radioastronomiaan käytettyjen vastaanottimien ns. etupäiden lohkokaavioita voi ihastella Max-Planck-Instituutin 100-metrisen Effelsbergin radioteleskoopin sivuilta:
- Jäähdytetty 1,4 GHz:n HEMT
- Lista kaikkien vastaanottimien spesifikaatioista
- Planck-satelliitin 70 GHz vastaanotin
Miten radiosignaaleita voidaan vahvistaa?
Ennen radioputken keksimistä ei ollut olemassa kuin passiivisia elektroniikkakomponentteja joilla voitiin vain suodattaa, vaimentaa ja ilmaista (kideilmaisimella) radiotaajuisia signaaleita. Kun antennista saatavan signaalin teho on esimerkiksi vain vaikkapa 0,000 05 watin miljardisosaa, sillä ei saa mitään kovaäänistä, piirturinkynää, lamppua, palosireeniä, tai muuta indikaattoria reagoimaan sen vertaa, että sen ihminen havaitsisi.
Teknisesti alkeellisia radiotaajuisia signaaleja voitiin Marconin aikoina tuottaa kipinälähettimen avulla ja riittävän voimakkaita sellaisia myös vastaanottaa kideilmaisimella. Samankaltaisia laajakaistaisia radioemissioita syntyi myös salamoinnissa. Jotain käänteentekevää piti tapahtua, ennen kuin kipinälähetin-kideilmaisin-radiotekniikasta päästäisiin eteenpäin ja se jokin oli vahvistavan "radioputken" keksiminen U.S.A.:ssa. Elektroniputken ohjaushilan jännitettä muuttamalla saatiin olemattoman heikolla ohjausteholla elektroniputken katodilta anodille kulkevan elektronisuihkun voimakkuutta säädettyä. Elektroniputkiin kehitettiin ominaisuuksien parantamiseksi lisää hiloja; kolmielektrodisen triodin lisäksi syntyi mm. tetrodi, joissa oli suojahila, pentodissa sen lisäksi myös ns. jarruhila.
Radioputkilla toteutettiin radiolaitteita aina 1960-luvulle asti, jonka jälkeen puolijohteet korvasivat ne suuria radiolähetinputkia ja joitakin katodisädenäyttöjä lukuun ottamatta. Puolijohteilla, varsinkin FET-transistorilla, toimintaperiaate on melko samankaltainen, vähäisellä ohjauselektrodin virralla, tai jännitteellä, voidaan säätää puolijohteen kahden muun elektrodin läpi kulkevaa voimakkuudeltaan merkittävästi suurempaa virtaa. Mikropiirit ovat yhdelle sirulle samaan koteloon koteloon integroitu kokoelma puolijohteita ja passiivisia komponentteja. Mikropiirien valmistustekniikan kehitys on sallinut puolijohdeliitosten lukumäärän kasvattamisen ensimmäisten analogisten intergoitujen piirien muutamista transistoreista (Texas Instuments SN510 binäärilaskin IC: 4 transistoria, hinta satoja dollareita, kaikki valmistetut IC:t 1961–1963 käytetiin Apollo- ja Minuteman- ohjelmissa) nykyisten moniydin-CPU-piirien 830 miljoonaan transistoriin. Integroituja piirejä on sekä digitaalisia, että analogisia ja myös sellaisia joissa sama piiri käsittelee niin digitaalisia, kun analogisiakin signaaleja.
Vahvistin
Vahvistusta siis saadaan aikaan käyttämällä aktiivisia elektroniikkakomponentteja (radioputkia, transistoreita, integroituja piirejä), joille syötetään tasasähkötehoa käyttöenergiaksi ja ne toimivat ikään kuin nopeina venttiileinä (esim. miljardi kertaa sekunnissa = 1 GHz) säännöstellen tasavirran kulkua lävitseen. Tarvittava ohjaussignaalin teho on vahvistimissa aina pienempi kuin ulos saatava teho, muutoinhan laite ei olisi (teho)vahvistin. Tulo- ja lähtötehoilla tarkoitan RF-sovelluksissa radiotaajuista vaihtosähkötehoa. Osa aktiiviseen komponenttiin syötetystä tasasähköenergiasta muuttuu hukkalämmöksi. Useampia vahvistinasteita voidaan kytkeä peräkkäin ja siten lisätä kokonaisvahvistusta - tiettyyn rajaan asti. Lähdöstä saatava maksimiteho, saatu vahvistus ja itse vahvistavan komponentin hyötysignaaliin lisäämä haitallinen kohina riippuvat lähinnä aktiivisen komponentin sähköisistä ominaisuuksista.
Oskillaattori
Oskillaattori on (yleensä pienitehoinen) tasasähköä käyttävä suurtaajuusvaihtovirtageneraattori. Takaisinkytkemällä vahvistavan komponentin lähtösignaalista riittävä osa sopivassa vaiheessa sen sisääntuloon, syntyy värähtelijä, eli oskillaattori, jonka taajuus ja vakaus riippuu pääasiassa takaisinkytkentään käytetyistä komponenteista. Värähtelytaajuus voidaan vakavoida esim. piezo-kiteellä, tai muulla halutulla taajuudella resonoivalla komponentilla, vaikkapa yksinkertaisella kelan ja kondensaattorin muodostamalla sähköisellä resonanssipiirillä. Oskillaattoreita käytetään mm. vastaanottimien sekoittaja-asteille syötettävän ns. injektiosignaalin kehittämiseen. SHF-taajuuksilla käytetään yleensä tiettyjä mikroaalto-oskillaattorityyppejä (YIG, Gunn, DRO), joiden toimintaperiaatteet poikkeavat alempien taajuusalueiden oskillaattoreista.
Sama vaihekäsite ilmenee myös siirtolinjassa (esim. koaksiaalikaapeli). Kaapelissa etenevän aaltoliikkeen aallonpituus = aallonpituus tyhjiössä * ko. kaapelityypin nopeuskerroin (l=wl*c, jossa 0,5<c<1). Aallonpituus (eli yksi jakso) olisi 100 MHz taajuudella koaksiaalikaapelissa n. 2 m pituinen kaapelin eristeaineen dielektrisyysvakiosta riippuen. Neljännes- ja puolenaallon mittaisilla kaapeleilla voidaan synnyttää erivaiheisia signaaleita esim. antennirykelmän eri syöttöelementeille ja siten muokata antennista saatavan säteilyn polarisaatiota, tai suuntautuvuutta. Esimerkkinä ns. ympyräpolarisaation aikaansaaminen kahdella ristikkäisellä lineaarisen polarisaation elementillä, jossa syöttökaapelin vaiheistuksessa toisen polarisaation syöttöelementin syöttöjohdossa on sarjassa ylimääräinen neljäsosa-aallon pätkä koaksiaalikaapelia, jolla on aikaansaatu tarvittava 90° vaiheensiirto elementtien syötön välille. Vastaava vaihe ero voitaisiin myös aikaansaada siirtämällä toista syöttöelementtiä signaalin tulosuunnassa neljännesaallon (tässä: aallonpituus tyhjiössä) verran eteen, tai taaksepäin, joiden erona olisi polarisaation pyörimissuunnan käteisyys.
Sekoitus
Diodin ja myös transistorin ns. epälineaarisia ominaisuuksia (virta komponentin läpi ei kasva lineaarisesti (ohjaus)jännitteen funktiona) voidaan käyttää tahallisen säröytymisilmiön synnyttämiseen, jolla saadaan aikaan kahden ko. komponenttiin syötetyn taajuuden sekoitustuloksia.
RF-esivahvistin (RF pre amplifier, LNA)
Vastaanottimen ensimmäinen RF-vahvistin on koko järjestelmän tärkeimpiä osia ainakin sen herkkyyden kannalta. Usein mikroaaltoalueen RF-vahvistimia kutsutaan lyhenteellä LNA (Low Noise Amplfier, kuvassa otsikon alla vasemmassa reunassa), kun taas alempien taajuuksien RF-etuasteita yleensä kutsutaan vain RF-esivahvistimiksi (RF pre amplifier).
Ensimmäisen RF-vahvistimen kohinaluvusta (Noise Figure), tai kohinalämpötilasta (Noise Temperature) määräytyy suurilta osin vastaanottimen herkkyys ja monia muitakin ominaisuuksia. Ihan aina ei huippuherkkyyttä vaadita, mutta usein se on tarpeen. Paras mahdollinen kohinaluku, tai kohinalämpötila on nolla (dB tai K), mutta siihen ei koskaan voida päästä. Jos vahvistimen puolijohdekomponentti olisi ideaalinen ja ei itse tuottaisi kohinaa, olisi asteen kohinaluku teoriassa 0 dB. Käytännössä nykyaikaisilla GaAs-HEMT-komponenteilla päästään 0,1 dB kohinalukuihin ainakin 10 GHz taajuuksille asti. 600...1000 GHz yläpuolisilla taajuuksilla HEMTitkään eivät enää jaksa toimia vahvistimina, joten noiden taajuuksien yläpuolella ei RF-esivahvistinastetta käytetä ollenkaan. Komponenttien kehittyessä tuokin rajataajuus kuitenkin kasvaa.
Useiden kaupallisten laajakaistaisten vastaanottimien kohinaluku on yleensä huonompi kuin 3 dB ja esim. laajakaistaisten TV-antennivahvistimien kohinaluku noin 4 dB. RF-esivahvistimen vahvistuksen lisäys vaikuttaa sitä enemmän, mitä huonompi seuraavan asteen kohinaluku on. Vähäkohinaisella RF-esivahvistimella voidaan siis ikään kuin peittää perusvastaanottimen kehno kohinaluku kaskadikytkennällä ja saada hyvä, eli alhainen kohinaluku.
Mikroaalloilla käytettiin 1960-luvulla ns. parametrisiä vahvistimia, jotka maksoivat silloin useita tuhansia dollareita ja esim. 2,7 GHz taajuuksilla päästiin 1,3 dB kohinalukuihin, kun nykyisin muutaman sadan euron jäähdyttämättömilläkin GaAs-puolijohdevahvistimilla päästään kohinaluvuissa alle 0,2 dB. Tuo parametrinen vahvistin oli oikeastaan klystronilla (radioputki) injektoitu mikroaaltoalueen diodisekoitin, konvertteri, josta sai n. 25 dB vahvistusta. Mikroaaltopuolijohdekomponenttien kehittyessä ilmestyi 1990-luvulla monen talon katolle satelliittiantenni, jossa on 11 GHz:n taajuusmuunnin (LNB), josta saadaan useita kymmeniä desibelejä vahvistusta kohinaluvun ollessa nykyisin 0,1 dB ja hintaa vain 8 euroa.
Taivas on mikroaalloilla hyvin "kylmä", yleensä vain korkeintaan kymmenien kelvinien luokkaa ja taajuuden kasvaessa paljon alhaisempikin. Siksi ei antennista, tai laitteistoista saisi juurikaan kehittyä ylimääräistä termistä kohinaa, joka haittaisi havaintoja. Mikäli antennin pääkeila 'näkee' maanpinnan, sen kohinalämpötila kasvaa, koska maanpinta säteilee n. 290 K termistä kohinaa. Mikroaalloilla ammattilaiset jäähdyttävät vastaanottimen etuasteen nestemäisellä typellä, tai heliumilla hyvin kylmäksi, jolloin vahvistavan komponentin terminen kohina vähenee ja kohinaluku alenee.
Jos antennin pääkeila on suunnattu korkealle ylös ja vielä ns. "kylmälle taivaanosalle", on antennin kohinalämpötila UHF- ja varsinkin mikroaaltoalueilla hyvin matala ja alhaisen kohinaluvun (tai kohinalämpötilan) RF-esivahvistin (LNA) pääsee oikeuksiinsa. Alemmilla taajuusalueilla (VHF ja varsinkin HF) taajuuden laskiessa kasvavan galaktisen kohinan vuoksi hyvin vähäkohinaisesta RF-esivahvistimesta saadaan yhä vähemmän hyötyä. Koska VHF/UHF-alueen vahvistimissa yleensä käytetään samoja vähäkohinaisia puolijohteita, kuin mikroaalloillakin, ei ole kuitenkaan mitään syytä tehdä tarkoituksellisesti VHF:llekään kohinaluvultaan huonompia RF-vahvistimia.
Kohinaluku (Nf [dB]) on muunnettavissa kohinalämpötilaksi (T [K], katso graafia) Käytännössä kohinaluvun huononeminen vaikuttaa karkeasti näin: kohinaluvun 3 dB huononnuksen korvaaminen kasvattamalla antennin kokoa vaatii antennin pinta-alan kaksinkertaistamisen, jotta signaali-kohinasuhde (S/N) säilyisi samana.
Esivahvistimen toinen tärkeä ominaisuus on riittävä suursignaalinkesto. Yliohjautumista aiheuttavia varsinaisen vastaanotettavan taajuuskaistan ulkopuolella olevia taajuuksia voidaan kylläkin suodattaa pois tehokkaalla kaistanpäästösuodatuksella jo ennen RF-esivahvistinta. Tällöin ongelmaksi voivat tulla suotimen häviöt, joita saattaa kertyä 1...4 dB verran ja tämä häviö on summattava etuvahvistimen omaan kohinalukuun, jolloin harvoin päästään alle 2 dB:n kokonaiskohinaluvun. RF-esiasteen ominaisuuksiin kuuluu myös riittävä vahvistus (10...35 dB), mutta se ei ole niin tärkeä ominaisuus, kuin alhainen kohinaluku.
Kun vastaanottimeen (tai sen vahvistin-, tai sekoitinasteeseen) tulee riittävän voimakas signaali, ei puolijohdekomponentti enää kykene sitä vahvistaman, tai sekoittamaan puhtaasti, vaan signaali leikkautuu, eli säröytyy ja siitä syntyy suuri määrä ylimääräisiä ei-haluttuja sekoitustuloksia. Vastaanottimen dynamiikka-alue on karkeasti ottaen väli sen omasta kohinatasosta korkeimpaan vastaanottimen sietämään signaalitasoon. Yksi tapa ilmoittaa korkein vastaanottimen sietämä signaalitaso, on sen ns. IP3-piste (dB:nä), jonka ylittyessä harhasignaaleja alkaa syntyä merkittävästi.
RF-esivahvistimen vahvistus tulee siis olla kohtuullinen ja lisäksi sen lähdössä on hyvä olla kaistanpäästösuodin, jotta itse vastaanottimen sekoitusaste ei niin helposti yliohjautuisi vastaanottotaajuusalueen ulkopuolisista lähetteistä yllämainituin seurauksin. Pahin tilanne on VHF- ja UHF-alueilla, joissa on runsaasti yleisradio- ja eri matkaviestinverkkojen lähettimiä. Nämä voimakkaimmat lähetteet voivat päästä suojauksista huolimatta myös suoraan vastaanottimen välitaajuusasteisiin ja aiheuttaa häiriöitä. Mikroaaltoalueilla ei niinkään useasti ilmene ongelmia voimakkaista signaaleista.
RF-esivahvistimen stabiilisuus on myöskin hyödyksi, sillä se ei saisi alkaa värähdellä itsekseen, vaikka tulo-, tai lähtöimpedanssit (sovitus) poikkeaisivatkin nimellisistä. Myös mikroaaltotaajuuksilla tapahtuvat salakavalat loisvärähtelyt voivat vaivata VHF-, tai UHF-taajuuksille tehtyjä RF-esivahvistimia.
Suotimet
Koska pelkkä laajakaistainen RF-signaalin vahvistaminen ei kerta kaikkiaan ole toimiva ratkaisu, tarvitaan suotimia. Suotimia käytetään myös sekoittimen jälkeisissä välitaajuusasteissa. RF-, eli suurtaajuussuotimilla rajoitetaan vastaanottimen etuasteille ja/tai sekoittajalle pääsevää radiotaajuisten signaaleiden kaistaa, eli spektriä. Supervastaanottimessa (engl. heterodyne receiver) tämä on tarpeen, jotta saadaan aikaan mm. ns. peilitaajuusvaimennus, jonka tarve on supervastaanottimen toimintaperiaatteeseen liittyvä ongelma. Peilitaajuutta ei saa päästää sekoittajalle asti, koska sen jälkeen sitä ei enää voida poistaa. Poikkeuksena tähän on vaiheistusmenetelmään perustuva peilitaajuutta vaimentava sekoitin. Joskus kuitenkin toimittaessa hyvin korkeilla taajuuksilla millimetri- ja alimillimetrialueilla mitattaessa säteilyn kokonaiskohinatehoa ei ole väliä, vaikka peilitaajuus pääsisikin sekoittajalle, mutta alemmilla taajuusalueilla tällaista kahta sivunauhaa läpäisevää, eli DSB-sekoitusta ei enää käytetä.
RF-suotimia tarvitaan myös ensimmäisen, tai ensimmäisten paikallisoskillaattoreiden (LO) injektiosignaaleiden puhdistamisessa, varsinkin jos LO-taajuus on tuotettu kertoja-asteilla. Mikäli vastaanottimen ensimmäinen välitaajuus on korkeahko, käytetään myös niissä samantyyppisiä suotimia. Myös voimakkaita ei-haluttuja esim. yleisradio- tai matkaviestintaajuisia signaaleita on usein syytä estää pääsemästä läpi vastaanottimen etuasteisiin, tai sekoittajalle asti.
Usein RF-suotimissa (ja myös viritetyissä RF-vahvistimissa ja taajuudenkertoja-asteissa) käytetään hyväksi kondensaattorin ja kelan rinnankytkennän muodostaman (LC) resonanssipiirin sähköistä resonanssi-ilmiötä. Tätä ilmiötä voisi havainnollistaa mekaanisella vastineella: esim. pöydän reunalle laitetun viivoittimen vapaa pää värähtelee tietyllä taajuudella, kun sille antaa ensin liike-energiaa. Mitä pidempi viivoitin (suurempi-induktanssinen kela), sen alhaisempi värähtelytaajuus. Viivoittimen pituus vastaa kelan induktanssin määrää ja viivoittimen pään massa resonanssipiirin kapasitanssin määrää - kumman tahansa kasvattaminen alentaa värähtelytaajuutta. Hyvin pienellä oikeataajuisella ja -vaiheisella lisäliike-energian syötöllä viivoittimen voimakas värähtelyliike jatkuu, mutta väärätaajuisella, tai -vaiheisella lisäenergian syötöllä se vaimenee. Ilman lisäenergian syöttöä värähtely vaimenee hitaasti ja loppuu energian muuttuessa lämpöhäviöiksi. Viivoittimessa energia on sen suoranaolohetkellä kärkiosan massan jatkuvuusvoimana ja pysähtyessään viivoittimen tyvessä jousivoimana. Sähköisessä LC-resonanssipiirissä sähköenergia on vuorotellen varautuneena kondensaattoriin jännitteenä (E, sähkökenttä) ja purkautuessaan sähkövirtana (I) induktanssin, eli kelan (L) kautta energia ilmenee magneettikenttänä (fii).
Aaltoputkilla (nyk. aaltojohdoilla, jotka kehitti George C. Southworth v. 1934) toteutettujen mikroaaltosuodinten sähkömagneettisia ilmiöitä taas voisi verrata kammion (huoneen) akustisiin ilmiöihin, joissa (hieman yksinkertaistaen) tietty taajuus (tai taajuudet) korostuu voimakkaasti, eli tila resonoi akustisesti, ja vastaavasti aaltojohto resonoi sähköisesti. Eri resonanssimoodeja (esim. TE011) ja -taajuuksia on suuri lukumäärä.
Suotimien rakenne riippuu halutusta läpäisytaajuudesta ja sen kaistanleveydestä. VHF-taajuuksilla voidaan käyttää induktiivisesti, tai kapasitiivisesti kytkettyjä LC-piirejä (kelojen ja kondensaattoreiden muodostamia rinnakkaisresonanssipiirejä), tai helikaali-suotimia, joissa on vain kela kapasitanssin muodostuessa kelan yläpään ja ympäröivän metallikotelon hajakapasitanssista, sekä koaksiaalisia onteloresonaattoreita, jotka ovat VHF:llä jo melko isokokoisia.
Tällaisissa "Cavity" (ontelo)-suotimissa on halkaisijaltaan suurehkon, päistään suljetun metalliputken sisällä toinen ohuempi putki, joka on toisesta päästään maadoitettu ja toisessa päässä on pieni levy ja sen parina on putken ulkokuoren päähän kierretty ruuvi, jonka päässä suotimen sisällä on myös pyöreä levy. Sillä aikaansaadaan säädettävä lisäkapasitanssi suotimen resonanssitaajuuden hienoviritystä varten. Signaali kytketään resonaattoriin joko kytkentälinkillä (silmukalla), tai kapasitiivisesti (kondensaattorilla), kuten tavallisissa LC-suodinpiireissäkin. Suodin on mekaanisesti yleensä 1/4-osa-aallonpituuden mittainen, eli 100 MHz:llä se on jo 75 cm pitkä. Resonaattorin kokonaishalkaisija vaikuttaa suotimen läpäisykaistan leveyteen. Mitä suurempi sen halkaisija on, sitä kapeampi läpäisykaista. Halkaisijaltaan 100 mm:n VHF-koaksiaali-ontelosuotimen läpimenovaimennus on tyypillisesti läpäisykaistan keskitaajuudella noin 0,5 dB (n. 10 % signaalin tehosta häviää suotimeen). Resonanssipiirin hyvyyttä kuvaa ns. Q-arvo. Kaistanpäästösuotimia voidaan kytkeä useampia peräkkäin esim. riittävän kapean kaistanleveyden saavuttamiseksi. Sopivasti kytkettyinä näillä resonaattoreilla saadaan aikaan myös imupiirejä, eli kaistanestosuotimia, tai kaistanesto/-päästösuotimia.
Koaksiaaliresonaattorisuodinta muistuttaa useampiasteinen Interdigitaalinen suodin, jossa hieman aaltojohtoa muistuttavaan onteloon on sijoitettu vierekkäin vuorotellen seinämien vastakkaisille puolelle vajaan 1/4-aallonmittaisia metallitappeja, tai putkia. Näiden resonaattoreiden toinen pää maadoittuu ontelon kapeampaan seinämään ja vastapuolen seinämästä irti olevan pään kapasitanssia säädetään viritysruuvilla, joilla resonaattorit, eli suodin viritetään halutulle taajuudelle. Alla olevassa kuvassa on 11 GHz konvertterissa käytetty strip-line tekniikalla toteutettua kiinteäviritteistä interdigitaalista kaistanpäästösuodinta (ristikkäisten "U-kirjainten" jono).
Strip-line-, eli mikroliuskapiiritekniikka antaa mahdollisuuden integroida UHF- ja SHF-taajuuksilla suotimet suoraan RF-vahvistimen, tai konvertterin (LNB) painopiirilevylle.
Tavanomaisia LC-suotimia vastaavissa strip-line-suotimissa toisesta päästään maadoitetut liuskat saadaan sopivan pituisena resonoimaan vapaan pään muodostaman, tai siihen lisätyn kapasitanssin kanssa. Resonanssipiirien välinen kytkentä on yleensä induktiivinen, eli painopiirillä teho siirtyy vierekkäisestä, yleensä alle 1/4-aallon liuskasta toiseen ilman galvaanista, tai kapasitiivista kytkentää. Alempana on kuva 2,3 GHz konvertterista, joissa on käytetty tavanomaisia kondensaattorilla viritettyjä LC-suotimia.
SHF-taajuuksilla voidaan käyttää aaltojohdosta tehtyjä suotimia samankaltaisten periaatteiden mukaisesti. Asennetaan seinämän läpi menevät viritysruuvi(t) oikeaan paikkaan aaltojohtoa ja sillä saadaan aikaan resonaattoreita.
Tähän mennessä on ollut puhetta lähinnä kaistanpäästösuotimista. Myös yli- ja alipäästösuotimia voidaan käyttää joissakin tapauksissa. Niillä on tietty rajataajuus, joiden ala-, tai yläpuolella suotimen vaimennus alkaa kasvaa. Vaikka kaistanpäästösuotimilla onkin tietty läpäisykaista, niistä pääsee aina läpi vain hieman vaimentuneena myös joitakin huomattavasti korkeampia taajuuksia ja niiden vaimentamiseksi voidaan kaistanpäästösuotimen kanssa käyttää myös alipäästösuodinta. Tyypillisiä suotimia ovat ns. T- ja pii-suotimet, joiden piirikytkentä muistuttaa ko. kirjaimen symbolia. T- ja pii-suotimista voidaan rakentaa yli- ja alipäästösuotimia vaihtamalla kelojen ja kapasitanssien paikat keskenään. Näitäkin suotimia voidaan ketjuttaa moni-asteisiksi, jolla on vielä suurempi vaimennus halutun läpäisykaistan ulkopuolella.
Kaistanestosuotimet (band-stop-suotimet, imupiirit, eli notchit), estävät tietyn kapeahkon taajuuskaistan pääsyn lävitseen. LC-piirillä toteutettuna näitä ovat maadoittava sarjaresonanssipiiri, tai signaalitien kanssa sarjassa oleva rinnakkaisresonanssipiiri.
Toisesta päästä avoin, sähköisesti 1/4-aallon mittainen koaksiaalijohdon (tai siirtolinjan) haara toimii kaistanestosuotimena ja 1/2-aallon mittainen vapaasta päästään oikosuljettu linja samoin. Näillä on kuitenkin myös sama imupiiri-ominaisuus taajuuden parittomilla 3, 5, 7, jne... kerrannaisilla. Tällaisen ns. stubin fyysinen pituus lasketaan siirtolinjan nopeuskertoimen (* 0,66...0,99) avulla. Fyysinen pituus on aina lyhyempi kuin vapaan tilan aallonpituus kaapelissa käytetyn eristeaineen dielektristen ominaisuuksien vuoksi. Yksinkertaisella 1/4-osa aallonpituisella T-haaralla liitetyllä koaksiaalistubilla saadaan vaimennusta estotaajuudelle noin 30 dB.
Mainittujen suodintyyppien lisäksi on olemassa mekaanisia-, kide-, keraamisia-, sekä pinta-aaltosuotimia (SAW), joita kaikkia käytetään vastaanottimissa välitaajuusuotimina. SAW-suotimia valmistetaan langattoman viestinnän kaupallisissa sovelluksissa käytetyille RF- ja välitaajuuskaistoille aina gigahertseille asti. Näissä suotimissa pinta-elektrodien välityksellä aineeseen syötetty vaihtosähkö saa kappaleen värähtelemään mekaanisesti tietyllä ominaistaajuudella. Samaa ilmiötä käytetään myös oskillaattoreiden värähtelytaajuuden määräävissä resonaattoreissa, jotka yleisimmin ovat kristallikiteitä, keramiikkaa, tai MEMS-tekniikka. Radiovastaanottimessa välitaajuussuotimen tarkoituksena on kaventaa ilmaisimelle asti pääsevä kaistanleveys vastaanotettavalle lähetteelle sopivaksi.
Injektio (LO)
Taajuussekoittimien injektioteho (LO) tehdään yleensä kideoskillaattorilla (XO), joka voi olla lämpötilastabiloitu riittävän taajuusvakauden saavuttamiseksi (TCXO), tai käytetään ns. kideuunia (OCXO), tai säätyvätaajuisella digitaalisella taajuussyntetisaattorilla. Mikäli heikompi taajuusvakaus riittää, voidaan käyttää LC-oskillaattoria, mutta se käy vain leveäkaistaisiin sovelluksiin. Kideoskillaattorin taajuusvakaus on tyypillisesti parempi kuin 2*10-5 (20 ppm), mutta voi olla jopa 0,27 ppm ja LC-oskillaattorilla useita kertaluokkia huonompi. Kideoskillaattoreita kannattaa tehdä aina n. 150 MHz asti ja sitä korkeampien taajuuksien tuottamiseen käytetään yleensä taajuudenkertoja-asteita (katso alla olevaa 2,3 GHz:n konvertterin kuvaa, jossa on useita peräkkäisiä kertoja-asteita piirilevyn yläreunassa), tai vaihelukittua silmukka (PLL), jossa jännitesäätöinen (VCO) oskillaattori (yleensä) värähtelee suoraan halutulla lopputaajuudella.
Taajuuskertoja-asteet ovat yleensä epälineaarisia vahvistimia, tai esim. diodeja, jotka säröttävät syötetyn signaalin. Taajuuskertojan lähdössä on halutulle tulotaajuuden kerrannaiselle (yleensä, *2, *3, *4, tai *5) resonanssipiiri ja sen ansiosta kertoja-asteen lähdöstä saadaan pääasiassa haluttua taajuuden kerrannaista.
Taajuudenkertoja-asteita voi olla peräkkäin useampia, joilla saadaan tuotettua hyvin korkeita lopputaajuuksia esimerkiksi sekoitusoskillaattorin injektioksi (LO). Injektio kaistanpäästösuodatetaan ennen sen syöttämistä sekoittimelle, jotta vältytään spektriltään epäpuhtaan injektion aiheuttamat ei-halutut sekoitustulokset.
Pistetaajuusvastaanottimissa voidaan käyttää kideoskillaattoria, mutta nykyisin lähes kaikissa kaupallisissa vastaanottimissa tämä injektiotaajuus aikaansaadaan ns. taajuussyntetisaattoritekniikalla, joka digitaalitekniikan avulla tuottaa kideoskillaattoriin nojaten tietyin hyppyvälein säätyvän, laajankin taajuusalueen kattavan taajuusvakaan injektion.
Mikroaaltoalueiden konverttereissa on myös käytetty oskillaattori-injektiotehon (LO) tuottamiseen ensimmäiselle sekoittimelle VCO:na toimivaa YIG-, DRO-, tai Gunn-oskillaattoria, joka on (harmonisesti) vaihelukittu johonkin vakaaseen taajuusreferenssiin.
Taajuussyntetisaattori perustuu mikrosuorittimen dataväylän kautta ohjaamaan taajuudenjakaja-syntetisaattoripiiriin, jolle syötetään ulkoiselta VCO:lta taajuus. Taajuusjakajien avulla VCO:sta jaettua alhaista taajuutta vaihevertailupiiri vertaa omaan taajuusreferenssiinsä ja näiden kahden taajuuden (vaihe)erosta synnytetyllä säätöjännitteellä säädetään VCO:n taajuutta oikeaan suuntaan, kunnes säätösilmukka saavuttaa vaihelukituksen, eli vaihevertailjan molemmissa tuloissa on tarkalleen sama taajuus. Näin saadaan VCO:sta esim. vastaanottimelle vakaa LO-taajuus ohjelmoidun jakosuhteen mukaisesti. Jakosuhteen muuttaminen muuttaa VCO:n, eli LO:n taajuutta ja samalla tietysti vastaanotettavaa taajuutta. Taajuussynteesillä siis voidaan muuttaa vastaanottotaajuutta, mutta joissakin sovelluksissa se voi yhtä hyvin tuottaa vain yhtä taajuutta ilman säätömahdollisuutta. Silloin vaihevertailijan taajuusjakajan jakosuhde on kiinteä.
Jakosuhteiden määrän rajallisuuden vuoksi virittyvissä vastaanottimissa on usein lisäksi käytetty apuna ns. jännitesynteesiä, jolla on tuotettu hienompi taajuuden askellusväli. Siinä synteesipiirin taajuusreferenssiä hienosäädetään säätöjännitteellä, jossa voi olla esim. 100, tai 1000 porrasta. Tyypillisesti itse syntetisaattori tuottaa jakosuhdemuutoksilla 10 kHz askelluksen ja 10 kHz askelluksen "sisälle" jännitesynteesi tuottaa 100 tai 10 Hz hienoaskelluksen. Säädettäessä LO-taajuutta ylöspäin jännitesynteesin antama säätöjännite nousee rampittaen, kunnes haluttu VCO:n taajuus (oletettavasti - hienoaskellus ei ole säätösilmukka) saavuttaisi seuraavan 10,00 kHz tasaluvun - jännitesynteesin säätöjännite putoaa taas nollaan taajuussynteesipiirin taajuusjakajan hypätessä mikrosuorittimen ohjaamana seuraavaan alempaan jakosuhdelukuun.
Uusimman taajuussynteesitekniikan nimi on DDS (suorasynteesi), jossa erityinen yhdelle sirulle rakennettu DDS-puolijohdepiiri muodostaa suoraan halutun taajuisen signaalin ilman VCO:ta ja sen jakajia, sekä vaihevertailijaa.
DDS-syntetisaattori-esimerkkinä voi mainita Si570-pohjainen LCD-näytöllä varustettu ns. stand-alone DDS-VFO, jota on saatavana rakennussarjana ja kattaa taajuusalueen 3,5...160 MHz tai piiriversiosta riippuen jopa 945 MHz asti 1 Hz askevälillä. Taajuus säädetään ns. resolveripyörällä, joka ohjaa mikrosuoritinta, mikä puolestaan ohjaa taajuusnäyttöä ja Si570 syntetisaattoripiiriä. Toinen vaihtoehto on USB-ohjattu Si570 DDS-synteesi, jota siis ohjataan PC:llä.
Sekoitin (Mixer)
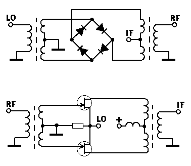
Vastaanottimen sekoittimet ovat joko aktiivisia (transistori-), tai passiivisia (diodisekoitin kuvassa: 1960-luvun jenkkiläistä mikroaaltotekniikka, viritettävä kaksois-cavity RF-suodin/diodimikseri).
Aktiivinen sekoitin vahvistaa hiukan (5...10 dB) ja vastaavasti passiivinen vaimentaa hiukan (n. 6 dB), mutta se ei lopputuloksen kannalta ole yleensä merkittävää. Käyttämällä suurivirtaista FET:iä tai ns. 'high level' Shottky-diodisekoitinta voidaan vastaanottimen signaalinkesto-ominaisuuksia parantaa. Tällöin kuitenkin myös injektio-oskillaattorin syöttämää tehoa tarvitaan vastaavasti enemmän.
Kaksoisbalansoiduissa diodisekoittimissa (DBM) standardi injektiotaso on +7 dBm eli n. 5 mW, mutta 'high level' sekoittimia löytyy aina + 23 dBm (200 mW) tasoon asti. DBM-sekoittajien taajuuskaista yltää tasavirrasta 10 GHz:iin, tosin eri taajuusalueille on valittava oma tyyppinsä, koska DBM-sekoittimen sisällä olevat ferriittimuuntajat rajoittavat niiden taajuuskaistaa. DBM-sekoittimet vaativat hyvät laajakaistaiset impedanssisovitukset kaikkiin portteihinsa toimiakseen ideaalisesti. Tämä hoidetaan usein lisäämällä IF- ja RF- portteihin 3 dB vaimentimet. Balansoidun sekoittimen etuna on läpivuotavan paikallisoskillattoritehon hyvä vaimennus (40...60 dB) RF- ja IF- portteihin päin, mitä etua ei balansoimattomissa sekoittimissa ole. Balansoiduissa sekoittimissa käytetään usein kahta FET:iä, tai muuntajakytkettyä diodirengasta.
Jos taajuus on yli 100 GHz, ja RF-esivahvistinta ei käytetä, kun ne eivät niin korkeilla taajuuksilla asti vielä nykyisin toimi, antennista tuleva signaali syötetään suoraan sekoittajalle, ehkä jonkinlaisen kaistanpäästösuotimen kautta. Kohinalukua voidaan parantaa, jos sekoitin sijoitetaan tyhjöpumpattuun, lämpöeristettyyn ja heliumilla kryogeenisesti 20 kelviniiin jäähdytettyyn koteloon. Samaa tekniikkaa voi käyttää RF-esivahvistinasteen sisältäviin mikroaaltoalueiden vastaanottimiin. Moinen järjestely tuskin sopii harrastajalle ja edes ammattilaiset eivät sitä alle 3 GHz:lla useinkaan edes käytä saavutetun vähäisen hyödyn vuoksi. Sivukommenttina: millimetri- ja alimillimetrialueella ammattilaiset käyttävät neljään kelviniin jäähdytettyä SIS-sekoittajaa (superconductor-isolation-superconductor). Näitä voikin olla vaikea kokeilla kotona.
Konvertteri (Down-Converter, LNC, LNB)
Aaltojohdon perällä (kuvassa vasemmalla) on kytkentäelin (probe) 1. RF-asteelle. Kuvassa oikealla on strip-line-tekniikalla ja pintaliitoskomponenteilla toteutettu 11 GHz HEMT-LNB konvertteri. Vasemmalta oikealle: kolme RF-vahvistinastetta, jakaja-hybridiä seuraavat kaistanpäästösuodin ylemmälle ja alemalle taajuuskaistalle, rengas-sekoittimet ja oikeassa reunassa 9...10 GHz taajuuksilla värähtelevät dielektriset oskillaattorit (DROt) (LO1 ja LO2). Vastaanottotaajuuskaista vaihdetaan kytkemällä päälle joko LO1, tai LO2 ja valitsemalla ko. taajuuskaistan sekoittajan välitaajuuslähtö (IF). Kuvassa ei näy absorboivaa (hiiltä sisältävä resistiivinen massa) väliseinämaä keskellä vahvistinketjua mm. vaimentaa metallikotelossa syntyviä haitallisia mikroaaltotaajuisia resonansseja, jotka voisivat johtaa RF-vahvistinasteiden itsevärähtelyyn. Painoiirilevymateriaali on usein mikroaalloilla teflon (PTFE)-pohjainen sen vähähäviöisyyden takia.
Konverttereita eli taajuusmuuntimia käytetään yleensä silloin, kun käytetty (perus)vastaanotin ei kata vastaanotettavaa taajuusaluetta. Nykyisin jo muutamat kaupalliset vastaanottimet kattavat aukottomasti taajuudet ainakin 2 GHz asti, mutta yli 200 MHz taajuuksilla on jo pelkästään syöttöjohtohäviöiden takia syytä käyttää joko RF-esivahvistinta antennin syöttöpisteessä, tai sijoittaa sinne konvertteri (Down-converter) ja johtaa koaksiaalikaapelilla konvertterin antama alempi välitaajuus alas. Konvertteri voi kyllä myös muuntaa taajuutta ylöspäin (Up-converter), esim. 50 kHz:stä 30 MHz:iin, jos perusvastaanotin ei toimi riittävän matalilla taajuuksilla.
Valmiita mikroaaltokonverttereita ja vähäkohinaisia vahvistimia on saatavissa 1,2 GHz...2,6 GHz välille (mm. SSB-Electronic'n eri UEK 2000 versiot) ja kaikille radioamatööri ja TV-satelliittialueille, eli 3,5 GHz, 4 GHz, 5,6 GHz, 10 GHz, 11 GHz, 12 GHz ja 24 GHz. Useimpia konverttereita voi virittää, tai modifioida jonkin verran niiden alkuperäisen toimintataajuusalueen ylä-, tai alapuolelle. Konverttereita voi myös ketjuttaa, eli muuntaa taajuus tarvittaessa vaikkapa kaksi kertaa.
Välitaajuusosa (IF)
Välitaajuusaste koostuu suotimista ja vahvistinasteista. Vahvistinasteet voivat olla toteutettu integroiduilla piireillä, joissa on liuta muita oheistoimintoja. Haluttu kaistanleveys voi olla mitä hyvänsä hertseistä satoihin megahertseihin ja haluttu kaistanleveys saadaan yleensä aikaan sopivalla välitaajuussuotimella tai suotimilla, tai DSP-tekniikalla.
Kapeakaistaisia vastaanottimia käytetään SETI projekteissa ja spektriviivojen mittauksissa, leveäkaistaisia vastaanottimia taas käytetään lähes kaiken muun (varsinkin kontinuumi-) radiosäteilyn havainnoimisessa.
Käyttämällä tietokoneita ja DSP-tekniikkaa voidaan rajallinen määrä välitaajuuskaistaa syöttää tietokoneelle murskattavaksi biteiksi ja ohjelmallisilla suotimilla saada alle 100 Hz kaistanleveyksiä (esim. 1 Hz), joihin kidesuotimilla ei päästä. Näitä hyödynnetään lähinnä SETI-tyyppisissä projekteissa, joissa etsitään suuresta määrästä kapeita taajuuskaistoja hyvin heikkoja kapeakaistaisia lähetteitä, lähinnä kantoaaltoja. Luonnonilmiöissä syntyvät signaalit ovat luonteeltaan enempi leveäkaistaisia ja esimerkiksi Auringon, tai Jupiterin kohinatason vaihteluja mitattaessa on hyvä käyttää leveämpää kaistaa (2...20 MHz), koska silloin voidaan ns. integrointiaikaa lyhentää ja saadaan lyhyemmillä aikaväleillä vakaita mittaustuloksia. Kaistanleveys ja näytteenottonopeus siis kulkevat tietyllä tavalla käsi kädessä toistensa kanssa.
Välitaajuuksien valinnassa vältetään taajuuksia, joilla voi olla voimakkaita radiolähetyksiä jotka voivat vuotaa suoraan vastaanottimen välitaajuusasteisiin, mutta aina se ei ole mahdollista, jos välitaajuuskaista on hyvin leveä, esimerkiksi 200 MHz... 2 GHz. Yleisimmät välitaajuudet kaupallisissa radiovastaanottimissa ovat 455 kHz, 10,7 MHz ja 21,4 MHz, mutta UHF ja SHF-vastaanottimissa joudutaan käyttämään korkeampaa ensimmäistä välitaajuutta, jotta ns. peilitaajuus, eli injektiotaajuuden summa, tai erotus välitaajuuden kanssa (Fif = Flo + Fif tai Fif = Flo - Fif) voidaan suodattaa pois, riippuen siitä kumpaa on tarkoitus vastaanottaa. Millimetrialueen vastaanottimissa ensimmäinen välitaajuus voi olla hyvin korkea, luokkaa 20 GHz.
Mikroaaltoalueiden vastaanottimissa joudutaan käyttämään korkeita, gigahertsiluokan välitaajuuksia ja yleensä ensimmäinen välitaajuus sekoitetaan vielä jopa useita kertoja alaspäin, jotta päästään vaikkapa 10,7 MHz:iin. Karkeasti; jokaista sekoitusta seuraava välitaajuus on tyypillisesti noin kymmenesosa tulotaajuudesta.
Esimerkkinä voisi olla 11 GHz satelliitti-TV-vastaanotin, jossa paraboloidipeilin syöttöpisteessä olevan mikroaaltokonvertterin 10 GHz injektio sekoitetaan satelliitista vastaanotettuun 11 GHz signaaliin ja saadaan 1 GHz ensimmäinen välitaajuus. Se johdetaan kaapelilla alas virittimelle, jossa se sekoitetaan 1,5 GHz injektioon ja alempi sekoitustulos, 500 MHz (toinen välitaajuus), suodatetaan kaistaltaan 27 MHz levyiseksi, vahvistetaan ja ajetaan FM-ilmaisimelle, josta saadaan videosignaali TV-monitorille.
Toisena esimerkkinä voisi olla laajan taajuusalueen kattava IC-R7000 VHF-UHF-vastaanotin. Siinä on yli 1 GHz taajuuksille konvertteri, jonka injektio on 1 GHz ja sekoitustulos ajetaan perusvastaanottimeen, jonka viritysalue on 25,000...999,999 MHz, Konvertteri siis mahdollistaa taajuusalueen 1025,000...1999,999 MHz vastaanoton. Vastaanottimessa on kiinteinä ensimmäisinä välitaajuuksina 778,7 MHz 512 MHz alapuolella ja 266,7 MHz 512 MHz yläpuolella. Muut välitaajuudet ovat klassiset 10,7 MHz ja 455 kHz. Jo pelkästään käytettyjen välitaajuuksien määrästä voi päätellä laitteen olevan satelliittivastaanotinta monimutkaisempi.
Ilmaisin (Detector)
Välitaajuusvahvistimesta saatava suurtaajuinen jännite voidaan tasasuunnata diodilla, jolloin voidaan mitata vastaanottimen koko läpäisykaistan kohinatehoa (square-law detector) ilmaisimen antaman tasajännitesignaalin muodossa. Jotkut sanovat tätä videoilmaisimeksi, sitähän se oli analogisessa TV-vastaanottimessa, sekä AM-radiossa audiosignaalin ilmaisimena.
Ilmaisimen yhteydessä on yleensä integraattori, jolla signaalia integroidaan. Myös keskiarvo-, huippuarvo-, tai muita ilmaisintyyppejä voidaan käyttää, jos ne soveltuvat tarkoitukseen. Jos käytettävissä olisi tarpeeksi nopea A/D-muunnin, voitaisiin välitaajuuskaista syöttää suoraan muuntimeen ja ohjelmallisesti määritellä mitä osaa kaistalta mitataan ja miten ja saada näkyviin myös signaalin spektri.
Tietokoneiden äänikortit pystyvät käsittelemään vain korkeintaan parinkymmenen kilohertsin luokkaa olevia taajuuksia ja jos niillä halutaan tarkkailla signaalin spektriä, tai muita ominaisuuksia ohjelmallisesti suoritetun FFT-analyysin avulla, on välitaajuus sekoitettava vielä kerran, että saadaan aikaiseksi äänitaajuus, jonka voi syöttää äänikortille. Tällainen ominaisuus on ns. SSB- (sivunauha)vastaanottimessa, jossa ns. BFO:n (beat-oskillaattori) taajuus on asetettu välitaajuuskaistan toiselle reunalle. Sekoituksen tuloksena on korvin kuultava äänitaajuus, jossa esim. yhden kilohertsin muutos antennista syötettävässä taajuudessa aiheuttaa samansuuruisen yhden kilohertsin muutoksen vastaanottimen äänitaajuiseen lähtöön. Näin voidaan muutaman kilohertsin levyinen kaistanpätkä (riippuu lähinnä vastaanottimen välitaajuussuotimen kaistanleveydestä) vaikkapa 1,4 GHz taajuusalueelta siirtää äänikortin kautta tietokoneen analysoitavaksi. Tätäkin tehokkaampaa tekniikka on ostettavissa, millä saadaan muutamien megahertsien taajuuskaista taltioitua kovalevylle. Reaaliaikainen analysointi ei taida noin laajalla kaistalla yhdellä koti-PC:llä onnistua. Vertailun vuoksi: SETI:n Serendip-vastaanotin prosessoi 100 MHz levyistä taajuuskaistaa.
A/D-muunnin
A/D-muuntimen tarkoituksena on muuntaa siihen syötetty analoginen tieto digitaaliseksi koodiksi, jota tietokone ymmärtää. A/D-muuntimien nopeudet ovat nousseet huimasti ja liityntätavasta riippuen voidaan ottaa näytteitä jopa 300 000 000 kappaletta sekunnissa. Käytännössä tämä tarkoittaa, että nopeat A/D-muuntimet ja DSP-tekniikka korvaavat analogiatekniikkaa vastaanottimen loppupäässä ja tulevaisuudessa johonkin taajuusrajaan asti alkupäässäkin, tai kenties jopa kokonaan syrjäyttää perinteisen taajuussekoitukseen perustuvan supervastaanottimen. Antennista saatava signaali siis voidaan muuttaa suoraan biteiksi ja ohjelmallisesti valita vastaanottotaajuus ja luoda ohjelmallisesti esimerkiksi aivan minkä levyisiä ja muotoisia kaistanpäästösuotimia mieleen juolahtaa, jne. Välttämättä tällainen vastaanotin ei ole suoritusarvoiltaan sen parempi kuin konventionaalisella analogiatekniikalla toteutettu, mutta sen signaalinkäsittelyominaisuuksien muuttaminen on erittäin joustavaa koska kaikki muutokset tehdään ohjelmallisesti. DSP-tekniikka, jonka nimiin moni asiaan vihkiytynyt vannoo, on sen verran laaja asiakokonaisuus, että se ansaitsisi ihan omat sivustonsa.
PC:n sarjaliikenneporttiin liitetyillä muuntimilla jäädään muutamaan kymmeneen näytteeseen sekunnissa, mutta harrastusprojekteissa se riittää usein hyvin. Kohinatehon mittauksessa A/D-muuntimelle yleensä tuodaan vastaanottimesta signaalinvoimakkuutta ilmaiseva tieto, joka kalliimmissa ammattilaitteissa onkin yleensä stabiili ja sopivasti skaalattu, tai jopa suoraan digitaalisessa muodossa, mutta harrastuslaitteissa usein vain suuntaa antava, epälineaarinen ja vastaanottimen lämpötilan muuttuessa petollisesti vaihteleva.
Mittaamisen sietämätön helppous
Kun vastaanottimesta (radiometristä) saadaan ulos tietoa signaalin voimakkuudesta, tai siis tehosta, A/D-muunnin muuntaa sen kyllä alle yhden bitin virheellä digitaaliseksi, mutta ennen kuin ollaan näin pitkällä, antennista tullut RF-signaali on kierrellyt monen vahvistavan ja vaimentavan puolijohdekomponentin kautta. Koska varsinkin puolijohteilla on ilkeä ominaisuus reagoida lämpötilan muutoksiin, vastaanottimen kokonaisvahvistus muuttuu ja se aiheuttaa suuria ongelmia mittauksen toistettavuuteen, eli senhetkinen vastaanottimen ilmaisimelta saatava kohinatehoa indikoiva jännite on jotain muuta, kun se oli eilen, vaikka antenni osoittaa samaan kohteeseen. Toinen asiaan liittyvä ongelma on se, jos halutaan vielä muuntaa tulokset säteilyvuoksi, tai kohinalämpötilaksi, pitää myös antennin ominaisuudet ottaa huomioon, koska se on osa systeemiä. A/D-muuntimelle tulevalle kohinatehoa kuvaaville jännitteelle pitäisi luoda kalibrointitaulukko. Kalibroinnissa omaa mittaustulosta verrataan tunnettuun suureeseen, mutta entäs kun tätä pitäisi tehdä jatkuvasti vastaanottimen vahvistusmuutosten vuoksi?
Yksi tapa on käyttää Dicke-radiometrin periaatetta, jossa vastaanottimen vahvistuksen muutokset kompensoidaan tekemällä jatkuvasti vertailumittauksia tunnettuun referenssiin (kalibroimalla) siten, että antennin tilalle vastaanottimen tuloon kytketään jokin tunnetun kohinatehon antava lähde. Aaltojohto tukitaan mekaanisesti liikutettavalla vaimentavalla kappaleella (ON-OFF-mittaus), jolla mittaukseen saadaan tunnettu referenssi, koska tukkivan kappaleen lämpötila tunnetaan. Vastaava temppu koaksiaalikaapelilla voidaan tehdä lisäämällä syöttöelementiltä tulevaan kaapeliin vaihtokytkin, jolla vastaanottimen ensimmäinen RF-asteen tulo kytketään päätevastukseen. Vastus toimii referenssinä, jonka lämpötila ja siten sen antama kohinateho on tunnettu. On myös olemassa kalibroituja elektronisia kohinalähteitä, joilla vastaanottimeen voi syöttää kytkentäelimellä (Coupler) tunnetun kohinatehon.
Vastaanottimessa voi sopivaan väliin (RF-tai välitaajuuslinjaan) kytkeä askelvaimentimen, joilla kohinaa saadaan tietyssä portaissa vaimennettua ja siitä saadaan mittaukseen alue-asteikko. Antenni mukaan ottaminen kalibroinnin piiriin voidaan tehdä vertailumittaamalla taivaan kohinalähteitä. Hyvä keino on mitata eroa kylmän taivaanalueen ja säteilyvuoltaan tunnetun taivaan kohinalähteen välillä (Messier M1) (ON-ON-mittaus). Tästä erosta pystyy myös laskemaan systeemille erilaisia sen herkkyyttä kuvaavia teknisiä suoritusarvoja.
Auttaisikohan tämä kuva ja selitykset avaamaan asiaa?
L. Cupido, CT1DMK on mitannut 1,29 GHz:llä 5,6-metrisellä peiliantennilla M1:stä, joka on yksi luotettavimmista ja voimakkaimmista kalibrointikohteista taivaalla (875 Jy 1,4 GHz:lla). Toinen piikki käyrässä on supernovajäänne 3C157. Puhtaimman käyrän (kelt.) mittausta on integroitu 100 sekunnin aikavakiolla ja kohinaisimmassa aikavakio on ollut vain sekunti. Kuten voi arvata, vasemmalla oleva y-akselin asteikko, joka alkaa 710..., ei ole mitään yksikköä, vaan on relatiivinen, luultavasti A/D-muuntimen antama lukuarvo. Kuitenkin sen jakovälit on saatu selvitettyä (0,02 dB/jakoväli).
M1 kohde on noussut taustakohinasta vaivaisen desibelin verran, eli toimimme aika pienellä dynamiikka-alueella lähellä vastaanottimen pohjakohinatasoa. Vähäisinkin sumu, pilvet, ja varsinkin radiometrin lämpötilan muutos aiheuttavat perustason siirtymiä (nollapisteen ryömintää), joka pilaa havainnon. Ensimmäistä kertaa näiden asioiden kanssa painiskelevalle harrastajalle voi vain toivottaa pitkää pinnaa ja onnea valitsemallaan tiellä.
Toinen vastaanottimen kalibroitava suure voisi olla taajuus. Sen kalibrointi ei kuitenkaan ole niin hankalaa, sillä erilaisia taajuusreferenssejä on käytettävissä halvoista taajuuslaskimista Rubidium-oskillaattoriin, tai GPS-lähetteeseen lukittuun taajuus-standardiin.
Juurikaan muita mitattavia ja kalibroitavia suureita ei tule mieleen, jos ei mukaan lasketa antennin suuntausta, polarisaatiota, tai muita mekaanisia asioita.
Muuta
Vastaanottimen lähtöön voidaan liittää erilaisia asioita mittaavia ja tallettavia laitteita spektrin, vaiheen yms. mittaamiseen. Niistä on hiukan vaikea sanoa mitään yksityiskohtaista, koska ne riippuvat projektin tarkoitusperistä. Yhteistä näille vastaanottimesta saatavaa signaalia jalostaville ja analysoiville valmiille laitteille on niiden korkea hinta, lukuun ottamatta PC:n äänikortteja ja niihin saatavia ilmaisohjelmistoja.
Matkaviestimien nopea kehitys on tuonut mukanaan tarpeen integroida laitteen radio-osa pieneen tilaan. Saatavissa on lukuisia mikropiirejä, joihin on integroitu suurin osa vastaanottimen toiminnoista (kuva alla). Tämä tekee mahdolliseksi valmistaa vastaanotin itse, ilman suurta työ- ja komponenttimäärää, mikäli on riittävästi kokemusta ja osaamista alalta. Jos ei kokemusta ole, tai ei viitsi moiseen vaivautua, voi aina haalia firmoilta ja laitoksilta ylijäämälaitteistoa ja moduuleita, joita yhteen liittämällä voi saada pienellä vaivalla hyviäkin vastaanotinlaitekokonaisuuksia ja mainetta alan tositaitajana.
Yllä esitellyt vastaanottimet perustuvat ns. super-vastaanottimeen, joka on ideana jo melko iäkäs (E. H. Armstrong. "A New System of Short Wave Amplification." Proc. of the IRE, Vol. 9, Feb. 1921) ja uusi digitaalitekniikkaan ainakin osittain pohjautuva vastaanotinkonsepti on jo ollut jonkin aikaa markkinoilla. Tällainen osittain digitalisoitu vastaanotin sisältää normaalin super-vastaanottimen alkuosan, mutta välitaajuus ajetaan A/D-muuntimelle ja sitä seuraaville muille digitaalisille signaalinkäsittelypiireille, jolla suoritetaan kaistanpäästösuotimien ja ilmaisutavan, yms. valinta ohjelmallisesti ohjattuna.
SDR-radioissa (esim. SDR-14, SDR-IQ, Perseus) haluttu taajuuskaista viedään bitteinä dataväylää myöten PC:lle, jossa ohjelmisto käsittelee sen. PC:n ruudulla on myös vastaanottimen käyttöliittymä. SDR-vastaanotinta ei pidä sekoittaa PC-ohjattuihin vastaanottimiin, joissa PC pelkästään ohjaa vastaanotinta (esim. IC PCR-1000).
Mittalaitteet - harrastajan haaveita
Yleensä hiukankin useammasta yksiköstä koostuva vastaanotinjärjestelmä vaatii joitakin mittalaitteita, joilla se viritetään parhaaseen toimintakuntoon ja sen pysyvyyttä tarkkaillaan. Jotakin voi mitata yleismittarilla, taajuuslaskimella ja oskilloskoopilla, mutta kunnon signaaligeneraattori, spektrianalysaattori ja muut RF-mittalaitteet ovat joskus todella tarpeen. Vastaanotinlaitteiden rakentelu itse ei ole mahdotonta, mutta ilman mittalaitteita se on usein melko vaikeaa, vaikka osaamista löytyisikin. Toisaalta ei ole perusteltua käyttää tuhansia euroja rahaa mittalaitteisiin, jos aikoo kasata yhden muutaman sadan euron hintaisen vastaanottimen, tai vastaanotinkokonaisuuden osan.
Analogisten radioverkkojen ja niiden päätelaitteiden valmistuksen liki loputtua massamme on vapautunut käytettyjen RF-mittalaitteiden markkinoille mm. kohtuuhintaisia (alk. n. 500€...) syntetisoituja signaaligeneraattoreita ja muita mittalaitteita, joita voi omaan käyttöön harkita hankittaviksi, sillä uudet (RF-)mittalaitteet ovat erittäin kalliita. Tarkastukset ja viritykset joudutaan usein tekemään joko lainalaitteilla, tai jossakin muussa paikassa, jossa on siihen tekniset edellytykset (esim. alan oppilaitokset). Jos vastaanotin tms. on suurelta osin omatekoinen tai kasattu toimintakunnoltaan epävarmoista osista tai moduuleista halvalla, sen toimintaan saaminen ja ylläpitäminen voi vaatia enemmän resursseja. Jos on rahalla ostettu uutta ja toimivaa, vähempikin säätäminen riittää.
Taajuusreferenssit
Tarkan vastaanottotaajuuden määrityksessä tarvitaan mittanormaalia, johon vastaanotin joko vaihelukitaan, tai ainakin taajuuksia verrataan toisiinsa (kalibrointi). Ilman huipputarkkaa taajuusreferenssiä (kelloa) ei VLBI mittauksia voitaisi tehdä. Avaruusluotainten nopeuksia ja nopeusmuutoksia mitataan doppler-siirtymien taajuusmuutosten avulla, joissa vakailla taajuuslähteillä niin satellitin lähettimissä, kuin maapinnalla olevissa vastaanottimissa, on merkitystä.
Taajuuspoikkeama ilmoitetaan yleensä miljoonasosina (1*10-6), eli ppm. 1 GHz:n taajuudella yksi ppm siis vastaa yhtä kilohertsiä. Digitaalisissa kulutuselektroniikkalaitteissa käytetään halvempia ja epävakaampia 50 tai 100 ppm:n kello-oskillaatorimoduuleita. Uusimpien n. 50€ hintaisten Stratum III TCXO-oskillattorimoduuleiden taajuusvakaus on (2,7*10-7) 0,27 ppm käyttölämpötila-alueella.
Lämpötilaryöminnän lisäksi kideoskillaattoreiden taajuusvakaus kärsii ns. ikääntymisestä (eng. aeging), mikä johtuu resonoivan elementin (kiteen) mekaanisesta eroosiosta, lähinnä sen pinnan jännitysten purkautumisista valmistuksen jäljiltä. Ikääntymisryömintä onkin nopeinta uudella kiteellä ja sen määrä vähenee jokaista tarkasteltavaa peräkkäistä yhtä pitkää aikajaksoa kohti aina kymmenenteen osaansa. Se vuoksi paljon käyttötunteja keränneen kideoskillaattori-taajuusreferenssin ikääntymisryömintä onkin kaikkein vähäisintä.
Useissa RF-mittalaitteissa (signaaligeneraattorit, taajuuslaskimet, spektrianalysaattorit, yms.) on taajuusreferenssinä lämpötilakompensoitu kideoskillaattori (TCXO) ja optiona kideuuni (OCXO)(5*10-9)(0,005 ppm), jossa lämpötila pyritään pitämään mahdollisimman tasaisena tietyssä lämpötilassa termostaattiohjatulla lämmitysvastuksella ja lämpöeristyksellä.
Tätä parempaan taajuusvakauteen (2*10-11) )(0,000 02 ppm) päästään ns. atomikelloilla, jotka oikeastaan ovat eräänlaisia elektro-optisia mikroaalto-oskillaattoreita. Rubidium-87-kaasua sisältävän radioputki altistetaan mikroaaltotaajuiselle (n. 6 tai 9 GHz) kentälle ja kentän tuottavan oskillaattorin taajuutta säädetään rubidium-, (tai cesium-)kaasukennon läpäisseestä valosta saadulla takaisinkytkennällä. Huippuvakaa ja tarkka taajuus saadaan vetymaserista (1*10-14)(0,000 000 01 ppm), jollaisia löytyy Suomessa puolisen tusinaa, mm. Mittatekniikan Keskuksesta (MIKES) ja Metsähovin observatoriolta. MIKESin Espoon toimipaikassa on toiseen vetymaseriin lukittu 25,000 MHz radiolähetin, jota voi käyttää aika- ja taajuusreferenssinä, mikäli saa 100 W tehoisen vertikaalipolaroidun lähetteen kuulumaan. Kouvolassa toimii pienitehoinen (2 W) GPS-taajuuslukittu radioamatöörimajakka taajuudella 28,800 MHz. DVB-T- verkon SFN-lähettimet ovat GPS-lukittuja, mutta niitä ei ole kaikkialla Suomessa ja mistään ei ole saatavilla tietoa mihin nimelliskanavataajuudesta mahdollisesti poikkeavaan "offsettiin" kukin SFN-lähetinrypäs on asetettu.
GPS-satelliittien kellot tahdistetaan USNO:n pää-atomikello-ryppääseen. Jokaisessa GPS-satelliitissa on mukana kaksi cesium- ja kaksi rubidium-kelloa. Tietynmalliset GPS-OEM-vastaanotinmoduulit kehittävät ns. pseudopaikannusmenetelmällä koherentin 1 Hz tai 10 kHz taajuuden. Tätä tarkkaa taajuutta voidaan käyttää syntetisoituna 10 MHz:lle mittalaitteiden refrenssitaajuutena, tai kalibroitaessa taajuuslaskinta, kideuunia, tai rubidium-taajuusstandardia. GPS-lukitun oskillaattorin tyypillinen poikkeama on minuuttien aikajaksolla 2*10-12 eli 0,000 002 ppm ja pidemmillä aikaväleillä tarkasteltuna sitä muutamaa dekadia parempikin ja mikä parasta, sen taajuutta ei voi, eikä tarvitse ikinä kalibroida, tai säätää.
Antennit
Vastaanottoantennin tarkoituksena on kerätä ympäriltään sähkömagneettisen kentän energiaa ja muuttaa se syöttöjohdossa kulkevaksi sähkötehoksi, tai keskittää se aaltojohtoon vastaanottimeen siirtoa varten.
Antenneja on kahta lajia:
- Ympärisäteilevät antennit
- Suunta-antennit
Lähes ympärisäteilevät antennit ovat usein pienempiä ja helpompia valmistaa. Kuitenkin radioastronomiassa usein tarvitaan suuntaavaa antennia ja sellainen myös yleensä tarvitsee suuntausmekanismin.
Suunta-antennin ominaisuuksia:
- Vahvistus, joka on käänteisessä suhteessa antennin pääkeilan leveyteen
- Suuntakuvion puhtaus pääkeilan ulkopuolella
- Käyttökelpoinen taajuusalue
- Mekaaniset mitat, paino, tuulipinta-ala (halkaisija, tai syvyys/leveys/korkeus)
- Polarisaatio: lineaarinen: maanpinnalla horisontaali, tai vertikaali. Pyörivä: vasta-, tai myötäpäivään (LHCP, RHCP)
- Syöttöpisteen impedanssi (taajuuden funktiona)
Vahvistus pitäisi monesti olla mahdollisimman suuri, eli pääkeilan äärettömän kapea, joka tarkoittaa suurikokoista ja kallista antennia.
Antennin ns. vahvistuksella oikeastaan tarkoitetaan suuntaavutta, ei ilkiliikkujamaista lisäenergian keräämistä tyhjästä. Vahvistus mitataan antennin pääkeilan suunnasta. Mitattavasta antennista saatua tehoa verrataan referenssi-antenniin, jonka vahvistuksen arvo on tunnettu. Sen mittayksikkö on desibeli (dB), jonka perään lisätään mihin vahvistusta verrataan, dipoliin (dBd) tai isotrooppiseen antenniin (dBi), joilla on toisiinsa eroa 2,14 dB verran. Ero johtuu siitä, että isotrooppisen antennin säteilykuvio on kuin pyöreä ilmapallo, jonka tilavuus on "yksi tilavuusyksikkö". Dipoli-antennilla 3-ulotteista suuntakuviota kuvaavaa ilmapalloa on painettu kasaan kahdesta pisteestä pallon vastakkaisilta puolilta, siksi pääkelilan sunnassa dipolilla on tuon 2,14 dB verran enemmän vahvistusta isotrooppiseen antenniin verrattuna. Siis kun antennilla on vahvistusta (suuntaavuutta), kolmiulotteisesti suuntakuviota kuvaavaa ilmapalloa on joistakin kohdista saatu puristettua kasaan ja vastaavasti (olettaen että häviöitä ei ole syntynyt) samalla se on pullistunut ulos muualta, eli pääkeilan suunnalta, mutta suuntakuviota kuvaavan pallon tilavuus on edelleen vain se sama "yksi tilavuusyksikkö".
Suunta-antennin sivukeilat ja rajallinen etu/takasuhde aiheuttavat radioastronomiassa mm. kohinalämpötilan nousua antennin vastaanottaessa jonkin verran myös muualta, kuin taivaalta pääkeilan alueelta tulevaa radiosäteilyä.
Taajuusalue, jolla antenni toimii hyvin, pitäisi olla mahdollisimman leveä, jolla taajuuden muuttuessa säilyy mm. hyvä suuntakuvio (eli vahvistus), mutta senkin aikaansaaminen on usein vaikeaa.
Haluttu polarisaatio sentään on usein järjestelykysymys, mutta sen muuttaminen vaatii usein mekaanisia ja/tai elektronisia järjestelmiä. Radioastronomiassa polarisaatiolla on usein suuri merkitys. Polarisaatiota mittaavaa laitetta kutsutaan polarimetriksi.
Antennin syöttöimpedanssi (vaihtosähkövastus, Z) koostuu kahdesta komponentista: resistiivinen ja reaktiivinen osa (R+Xc), jotka molemmat muuttuvat taajuuden muuttuessa. Puoliaaltodipolin impedanssi vapaassa tilassa on puhtaasti resistiivinen 73 ohmia (73 ohm + 0 ohm) ja reaktanssi on 0 ohmia, eli sitä ei ole. Puoliaaltoista lyhyempi elementti on kapasitiivinen (-Xc) ja resistiivien osa resonanssitaajuden 73 ohmia alhaisempi, kun taas hieman pidempi dipoli on induktiivinen (+Xc) resistiivisen osan kasvaessa. Yleensä reaktiivinen osa pyritään saamaan syöttöpisteessä nollaksi ja resistiivinen osa samaksi liitettävän syöttöjohdon (siirtolinjan) impedanssin kanssa.
Radiotekniikassa puhutaan ns. tehosovituksesta, eli ideaalinen tehonsiirto antennista ensimmäiseen vahvistusasteeseen vallitsee, kun antennin syöttöpisteen ja yhdistävän siirtolinjan impedanssi on yhtä suuri, kuin RF-etuasteen. Tarkkaan ottaen tämä ei anna parasta tulosta ja siksi etuaste sovitetaan ns. parhaaseen kohinasovitukseen (noise match).
Antennin syöttöpisteen ja RF-etuasteen ja niiden välisen välinen koaksiaalikaapelin impedanssi on yleensä 50, tai 75 ohmia (standardeja), mutta se on täysin suunnittelukysymys. Koaksiaalikaapelin vaimennus kasvaa sekä pituuden, että taajuuden funktiona ja jopa jo 500 MHz taajuuksilla näkee suurissa radioteleskoopeissa aaltojohtoja, mutta yleensä aaltojohdot syrjäyttävät koaksiaalikaapelit vasta 1...10 GHz: välillä. Aaltojohto on erittäin vähähäviöinen siirtojohdin, mutta taajuuskaistaltaan rajoittunut, yleensä taipumaton ja matalilla taajuuksilla (<1 GHz) sen halkaisija kasvaa epäkäytännöllisen suureksi, eli siitä tulee kallis ja painava. Mikroaalto- ja millimetrialueilla vastaanottimen etupää (LNA, LNB tai LNC) sijoitetaan yleensä antennin polttopisteeseen syöttöjohtohäviöiden eliminoimiseksi.
Antennityyppejä
Koska radiotaajuusalue kattaa oktaaveissa ajatellen erittäin laajan kaistan satojen kilometrien pituisista aalloista millimetrien pituisiin, on saman antennityypin käyttäminen mahdotonta kaikilla eri taajuuksilla. Niinpä antennit on helppo jakaa eri taajuusalueille soveltuviin tyyppeihin. Kaikkia eri antennityyppejä ei kannata kahlata läpi, sillä moniin niistä harvemmin törmää, eivätkä kaikki sovellu radioastronomiaan ja useat ovat tässä esitettävien antennityyppien muunnelmia. Alle 3 MHz:llä (aallonpituus >100 m) käytetään yleensä puoliaaltodipoli-, maataso-, lanka-, tai kehäantenneja. Jälkimmäisiä silloin kun neljännesaallon elementin mitta alkaa olla fyysisesti mahdottoman pitkä. Tämän taajuusalueen merkitys on kuitenkin radioastronomialle vähäinen, mutta se on merkityksellinen geofysiikassa.
3...1000 MHz (100 m...30 cm) käytetään puoliaaltodipoleja, maataso-, Yagi- (tai muuntyyppisiä parasiitti-) ja Helix-antenneja, tai useammasta sellaisesta koottua antenniryhmää tai verhoa.
Yli 1 GHz (<30 cm) taajuuksilla pääosa radioastronomiassa käytetyistä antenneista on parabolipeilejä-, tai torviantenneja.
Antennipäätyypit ovat:
- lineaariset- ja kehäantennit
- kytketyt antennit
- vaiheistetut antenniryhmät
- apertuuriantennit
Käytännön suurivahvistuksisten apertuuriantenneiden perusmallissa, paraboloidipeiliantennissa, joka on identtinen optisen refraktoriteleskoopin kanssa, ei voida sanoa tapahtuneen mullistavia keksintöjä Reberin radioteleskooppiin verraten.
Muiden käytännön suunta-antennityyppien kehityshistoria on kulkenut Marconin maatasoantennista ja ja Hertzin dipolista, liki ympärisäteilevistä antenneista, vaiheistettujen rintamasuuntaan (Broadside, Collinear) säteilevien elementtien kautta Krausin elementtijonon suuntaan säteileviin (End-fire) ja siitä Helixiin, sekä Yagi-antenneihin. Suunta-antennilla haetaan suuntaavuutta ja jokainen kehitysaskel on lisännyt fyysisesti vastaavan antennin vahvistusta n. pari desibeliä. Vahvistuksen määrän lähestyessä teoreettista maksimivahvistusta puhutaan ns. supergain-antenneista, joihin lyhyet Helixit ja kaikki optimoidut Yagit kuuluvat. Antennin tehollisen apertuurin koko ja ympärillään vaatima vapaan tilan tarve riippuu sen vahvistuksesta.
- kolmen aallonmitan pituisen Broadsiden vahvistus: 8,8 dBi
- kolmen aallonmitan pituisen End-firen vahvistus: 11,1 dBi
- kolmen aallonmitan pituisen Helixin vahvistus: 13,7 dBi
- kolmen aallonmitan pituisen Yagin vahvistus: 15 dBi
- kolmen aallonmitan teoreettisen maksimivahvistuksen Supergain-antennin vahvistus: 21,2 dBi
Pinta-aaltoteorian mukainen maksimivahvistuksinen Supergain-antenni on käytännössä mahdoton toteuttaa: se vaatisi suprajohde-elementit, erittäin tarkat vaiheistukset (eli. elementtipituudet ja paikat) jokaiselle elementille ja sen kaistanleveys olisi 400 MHz:lla vain n. 3 Hz, eli 0,000 000 7 %.
Apertuuri-antennit
Parabolipeiliantenni on laajakaistainen (jos ajatellaan vain sen heijastinpintaa) apertuuri-antennityyppi. Heijastavan pinnan tarkkuus määrää korkeimman käyttötaajuuden ja halkaisija alimman, tosin kysymys on lähinnä vahvistuksen alenemisesta matalilla taajuuksilla, jolloin vastaavankokoinen esim. Helix-, tai Yagi-antenniryhmä voi antaa (tosin vain kapealla taajuuskaistalla) enemmän vahvistusta. Heijastava pinta voi olla muodoltaan myös puolipallo, tai sylinterimäinen, tai epäsymmetrinen.
Suurissa teleskoopeissa on yleensä käytännön syistä peilin takana sen keskipisteessä tila, johon vastanottimet on sijoitettu, jonne signaali fokusoidaan apupeilin avulla. Tällainen teleskooppi on tyypiltään joko Cassegrain, tai Gregoriaaninen apupeilin muodosta riippuen. Pienimmissä teleskoopeissa syöttöelementti (ja vastaanottimen etupää) on peilin edessä polttopisteessä ilman apupeiliä, joka ei ole vähäkohinaisin vaihtoehto, koska siinä syöttöelementti "näkee" lämpimän maanpinnan peilin reunojen ohitse.
Peiliantennin fokukseen voidan myös sijoittaa nippu aaltojohtimia, jotka vievät ko. keilansuunnan säteilyvuon omaan vastaanottimeensa, tai hyvin korkeilla mikroaaltotaajuuksilla omille bolometri-ilmaisimilleen. Tällä järjestelyllä saadaan antennista kuvantava, joskin "kuvan" pikselimäärä voisi olla vain luokkaa parikymmentä pikseliä.
Syöttöelementti määrää vastaanotetun polarisaation ja se voi olla Helix- (pyörivä polarisaatio), Yagi- (lineaarinen, tai pyörivä, jos risti-Yagi), tai mikroaalloilla torvi-tyyppinen (kaikki polarisaatiot mahdollisia). Syöttöelementti on yhdistetty häviöiden välttämiseksi lyhyellä aaltojohdolla, tai koaksiaalikaapelilla vastaanottimen ensimmäiseen vähäkohinaiseen suurtaajuusetuasteeseen, tai taajuusmuuntimeen (konvertteriin). Syöttöelementin keila on sovitettu peilin f/d:n, eli polttoväli/halkaisija-suhteeseen sopivaksi, niin että se "valaisee" tasaisesti koko peilin pinnan, mutta ei se reunojen ohi. Käytännössä peilin reunoille osuu syöttötorven säteilykeilan kymmenesosatehon pisteet (-10 dB). Kommunikaatiokäytössä yleisesti hyväksytty kompromissi peilin reuna-osien pinta-alan hyödyntämiseen on syöttötorven säteilykeilan kymmenesosatehon pisteiden (-10 dB) osuminen peilin reunoille, jolla saadaan hyvä, yli 50 % hyötysuhde ja vahvistus, mutta tämä ei ole hyvä ratkaisu sivukeilojen voimakkuuden ja kohinalämpötilan suhteen. Vaikka suppeampi illuminaatio pienentää peilin tehollista pinta-alaa, radioastronomiassa pyritään siihen, että peilin reunalla illuminaatio olisi -15...-20 dB, eli jopa vain sadasosa antennin kohinalämpötilan kohoamisen estämiseksi.
Aiemmin käytettiin usein metalliverkkoa heijastimena, mutta sen edut, eli keveys ja halpuus ovat lähinnä vain UHF-alueella. Noin 1...3 GHz yläpuolella verkkoa ei käytetä, koska silmäkoko pitäisi olla hyvin pieni. Kun lähestytään sitä ylärajataajuutta, jolla heijastinverkko alkaa vuotaa lävitse ja syöttöpää näkee lämpimän maanpinnan, se nostaa antennin (kohina)lämpötilaa ja samalla antennin vahvistus heijastinpinnan hyötysuhteen heiketessä pienenee. Mikroaaltoalueen paraboliantennit tehdään yleensä metallilevystä (alumiini), jolloin näitä harmeja ei ole. Peilin pintatarkkuus tulisi olla parempi kuin 1/10-osa lyhimmästä käytetystä aallonpituudesta.
Torviantennin vahvistuksen, eli keilanleveyden määrää sen suuaukon pinta-ala. Torviantennin kaistanleveys voi olla jopa yli yhden oktaavin (esim. 1...2 GHz). Polarisaatio joko lineaarinen, tai pyörivä riippuen torven muodosta (suorakaide/pyöreä). Pyörivä polarisaatio (vasta/myötäpäivään, LHCP/RHCP) saadaan pyöreällä torviantennilla sijoittamalla sinne kaksi ns. probea, toinen vaakasuoraan ja toinen pystyyn ja vaiheistamalla niistä saatavat signaalit yhteen 90° vaihesiirrolla.
Kytketyt antennit
Yagi-antenni (Yagi-Uda) koostuu syöttöelementistä (puoliaaltodipoli), heijastinelementistä ja halutusta määrästä parasiittielementtejä, eli suuntaajia. Yagi on toimintaperiaatteeltaan dielektrinen antenni - kuitenkin ilman vaihenopeutta muuttavaa dielektristä ainetta. Yagissa muutos saadaan aikaan progressiivisesti mitoitetuilla (reaktanssiltaan kapasitiivisilla) alle puolen aallon mittaisilla suuntaajilla, jotka fokusoivat antennin ympäriltä radioaaltoja sen syöttöelementtiin. Suuntaajien pituuden kasvaessa kohti syöttöelementtiä niissä kulkevan virran määrä kasvaa ja se hidastaa aaltorintaman vaihenopeutta ja aiheuttaa antennin takaosaan "kuopan", jota kohti radioaallot Yagin ympäriltä noin puolen puominmitan etäisyydeltä taipuvat kolmi-ulotteisesti. Tästä kertyy Yagi-antennin sieppauspinta-ala, jonka voisi silmällä Yagia edestäpäin katsoen arvioida olevan yhtä suuri, oli puomin pituus ja elementtien määrä mikä hyvänsä - näin ei kuitenkaan ole, kun kyseessä ei ole apertuuriantenni. Yagin (reaktanssiltaan induktiivinen) heijastin-elementti estää kentän osittaisen karkaamisen (säteilyn) Yagin perästä ulos ja se heijastaa tehon takaisin syöttöelementtiin. Yagi on myös eräällä tavalla ns. kulkuaaltoantenni.
Suuntaaja-elementtien pituuserot ja välit määräävät Yagin taajuuskaistan leveyden. Mitä vähemmän suuntaajissa on pituuseroja, sitä kapeampi taajuuskaista ja sitä kapeampi pääkeila, eli korkeampi vahvistus. Kuten aiemmin jo todettu; Yagin taajuuskaistaa ei kuitenkaan voi äärettömiin kaventaa, tai suuntaajien lukumäärää lisätä vahvistuksen kasvattamiseksi, sillä krittisesti suunniteltu Yagi on kapeakaistaisena arka kosteudelle ja lumelle, jotka kasvattavat suuntaajien sähköistä pituutta. Yagi-antenni ei myöskään sovellu kovin laajalle taajuuskaistalle (>10 %). Yagi-antenni antaa lineaarisen polarisaation. Pyörivä polarisaatio aikaansaadaan vaiheistamalla sopivasti ns. risti-Yagi 90° vaihe-erolla (vrt. torviantenni). Yagin keksi Japanissa tohtori Yagi apulaisensa Udan kanssa 1920-luvulla.
Lineaariset ja kehäantennit
Kehäantenni on suuntaava (vrt. dipoli) ja lähes ainoa kompakti vaihtoehto hyvin matalilla taajuuksilla. Polarisaatio on lineaarinen. Käytetään lähinnä LF- ja VLF-taajuusalueella. Quad-antennia käytetään HF:llä, siinä on vain yksi kierros lankaa, joka muodostaa neliön. Lisäksi syöttöelementin takana voi olla heijastin ja edessä kehiä suuntaajina Yagin-parasiittielementti-periaatteen mukaisesti. Kehän muoto voi myös olla kolmio tai pyöreä. Näistä kaikista saadaan lineaarinen polarisaatio.
Helix-antennin on periaatteessa spiraaliksi venytetty kehäantenni. Aksiaalimoodin Helixin (spiraalikierroksen kehänpituus = yksi aallonmitta) vahvistus riippuu spiraalin kokonaispituudesta (lähinnä kierroksien lukumäärästä). Kuten Yagiakin, äärettömän pitkänä sitä voidaan pitää siirtolinjana, Helixiä aaltojohtona (T0 tai T2 moodit). Oikealla spiraalin nousulla valmistetun aksiaalimoodin Helixin polarisaatio on aina spiraalin kiertosuunnasta riippuen tiettyyn suuntaan pyörivä (RHCP tai LHCP). Toinen hyvä ominaisuus on jopa lähes yhden oktaavin kattava toimntataajuuskaista. Ongelmana alemmilla taajuuksilla on hankala mekaaninen rakenne, eli kooltaan suuren huteran spiraalin tuenta. Tätä antennityyppiä on käytetty suurissa tasoryhmissä, mutta myös peiliteleskoopeissa syöttöelementtinä. Helixin taajuuskaista on Yagia laajempi, mutta kuitenkin rajallinen. Lyhyitä Helixejä käytetään avaruusaluksissa ja luotaimissa matalavahvistuksisina antenneina (LGA). Helixin keksi v. 1947 tunnettu radioastronomi, insinööri ja radioamatööri John Kraus, W8JK.
Puoliaaltodipolilla (Hertzin antenni, tai Hertzin dipoli), tai niistä tehdyillä rykelmillä on Yagia leveämpi taajuuskaista, mutta yhden dipolin vahvistus on hyvin pieni, 2,14 dB eli 1,6-kertainen teoreettiseen täysin ympärisäteilevään antenniin verraten. Suuntakuvion ainoat minimit ovat päiden suunnassa. Aallonpituuteen nähden (<1 aallonpituus) lähelle maanpintaa sijoitetun vaakapolaroidun dipolin säteilykeila suuntautuu enempi ylöspäin maaheijastuksen ansiosta. Polarisaatio on valittavissa asennusasennon mukaan. Harrastuskäytössä dipoli on usein kiinteästi asennettu. Ristidipolilla saadaan aikaan pyörivä polarisaatio. Dipoleita käytetään lähinnä HF-taajuusalueella ja syöttöelementteinä korkeampien taajuusalueiden suunta-antenneissa.
Yagia muistuttava, kaikkiin elementteihin siirtolinjalla (ns. avolinja) syötetty logaritmisperiodinen dipoli-antenniryhmä (LPDA), voidaan suunnitella erittäin laajakaistaiseksi, mutta tämä tapahtuu vahvistuksen kustannuksella. Elementtien välit ja pituudet muuttuvat logaritmisesti, jolloin saadaan mahdollisimman tasaiset suoritusarvot (vahvistuksen ja syöttöimpedanssin aaltoilu taajuuden funktiona) koko taajuuskaistalla, esim. 30..1000 MHz. Logarimisperiodiseen tyyliin voidaan tehdä muunkin tyyppisiä laajakaistaisia antenneja, esim. tasospiraaleita (joka ei ole sama kuin Helix) mikroaaltoalueille.
Maatasoantenni (GP, Marconin antenni) on dipolin sukulainen, tavallisesti pystyyn asennettuna ympärisäteilevä ja antaa pystypolarisaation. Pääkeila on rinkelinmuotoinen, vinosti ylös taivaalle suuntautuva. Minimisäteilysuunta on suoraan ylös. GP vaatii maatason. Käytetään lähinnä HF-taajuusalueella, joskus myös suuntaavina vaiheistettuina rykelminä.
Lanka-antenni on enempi-vähempi usean aallonpituuden mittainen, tai aallonpituuden ollessa kilometrejä, tai pidempi, niin pitkä, kun käytännössä on mahdollista. Ensin mainitulla on jonkin verran suuntaavuutta langan suunnassa ja lyhyt lanka lähes ympärisäteilevä. Polarisaatiota voi kysellä Nakkilan kirkonkyläläisiltä. Tällaisten epämääräisten antennien ominaisuudet riippuvat langan pituudesta, korkeudesta ja maaperän johtavuudesta ja sitä on vaikea mallintaa. Näistä suuntaavia ominaisuuksia omaavista lanka-antenneitakin on olemassa lukuisia, jotkut päätevastuksella ja toiset ilman (Rhombi, Beverage). Käytetään lähinnä HF- ja LF-taajuusalueella.
Vaiheistettuja antenneja
Verhoantenni on yleisnimi suurelle joukolle erilaisia vaiheistettuja elementtirintamaryhmiä, jotka yleensä säteilevät kahteen suuntaan. Keilan leveys riippuu elementtien lukumäärästä. Tunnetuimpia ovat Broadside (kollineaarinen) ja klassiset End-fire-antennityypit: 8JK, Flat-top, Lazy-H, Sterba-curtain, jne. Näistä 8JK on Krausin kehittämä antennityyppi Janskyn aikanaan käyttämän Bruce-arrayn tilalle. Broadsiden vahvistus on tyypillisesti hieman pienemmällä elementtivälillä toteutettuja End-Fire antenneja alhaisempi. Nykyään suurikokoisia verhoantenneja käytetään enimmäkseen HF-taajuuksilla ja niilläkin lähinnä kustannussyistä. Heijastimella varustettuja Broadside-antenneja on käytetty aikanaan VHF-ja UHF-alueilla tutkissa ja radioastronomiassa ja jonkin verran myös UHF-TV-antenneina.
Minkä tahansa antennin syöttöelementin syöttö voi tapahtua esim. elementin keskeltä (center-fed), tai vaikkapa elementin päästä (end-fed). Tämä ei vaikuta antennin vahvistukseen, tai suuntakuvioon, vaan on tekninen järjestely, jolla RF-tehoa siirretään syöttöelementin ja siirtolinjan välillä ja johon myös mekaaniset syyt vaikuttavat. Erilaisia sovitus/syöttötapoja on kymmeniä ja niissä usein myös muunnetaan impedanssia ja kumotaan reaktansseja ja liitetään symmetrinen syöttöpiste epäsymmetriseen syöttöjohtoon muuntajan, tai balunin avulla.
Radioastronomiaan käytettyjen antennien kuvia on lisää Rein Smitin sivulla.
Kapeampikeilaisempia ja suurempivahvistuksisia antennirykelmiä voidaan rakentaa vaiheistamalla useampia samanlaisia erillisiä antenneja ryhmiksi. Yleensä niistä muodostetaan levymäisiä mattoja, tai päällekkäin ja vierekkäin kasattuja ryppäitä. Kulmaerotuskykyä parantava VLBI-tekniikka taitaa olla harrastajien ulottumattomissa. Kahden lähekkäin sijoitetun antennin interferometritekniikkaa jotkut harrastajat sentään käyttävät.
Antennimallinnus-CAD-ohjelmat
1980-luvulla kehitettiin antenninsuunniteluun ja mallinnukseen numeerisia malleja, joista tärkein on Method of Moments- menetelmään perustuva NEC ja MiniNEC, joilla voitiin tietokoneen avulla mallintaa antennielementtien eri kohdissa kulkevia virtoja ja niiden vuorovaikutuksia antennin muodostamaan sähkömagneettiseen kenttään. Sitä ennen antennit suunniteltiin yksinkertaisiin laskentakaavoihin, tai nomogrammeihin perustuen, jotka oli aikaansaatu tuhansia erilaisia antennivariaatioita koemittaamalla.
Ilmaisia Antenninlaskentaohjelmia on kymmenittäin, mutta osa niistä vaatii käyttäjältään hyvää asiantuntemusta. Helpoimmasta päästä voisi mainita Yagimax 3.11-ohjelman, joka tuottaa numeerista tietoa ja graafeja Yagi-antennin ominaisuuksista. Toinen selkeästi vaikeampi käyttää, mutta monipuolisempi on MMANA, jolla voi MiniNEC-pohjaisena mallintaa minkä pituisia ja miten tahansa 3-ulotteisesti sijoitettuja elementtisektioita. Rajana on vain mielikuvitus, aika joka kuluu elementtien piirtämiseen ohjelmaan ja ohjelman elementtisektioiden rajallinen lukumäärä, joka on yleensä kuitenkin riittävä.
Näiden ohjelmapakettien mukana tulee antennitiedostoja eri taajuuksille. Ohjelmissa on mukana toiminto, jolla antenneja voi skaalata halutulle taajuusalueelle, sekä optimointitoiminto, joka Yagimaxissa on suppea yhteen elementtiin kerrallaan rajoittuva ja MMANA:ssa kaikenkattava. Optimoinnissa käyttäjä voi painottaa eri ominaisuuksia, kuten impedanssia, etu-taka-suhdetta ja vahvistusta. Yleensä julkaistujen jo optimoitujen antennien lisäoptimointi ei asiaan vihkiytymättömältä onnistu, tai saavutettu hyöty on merkityksetön. Yagin tapauksessa optimoitaessa suurimpaan vahvistukseen ensimmäinen suuntaaja siirtyy lähelle syöttöelementtiä ja syöttöelementin impedanssi romahtaa ja todellisuudessa hyöty katoaa syöttöelementin kasvaneen virran aiheuttamiin häviöihin. Kaupallisessa YagiOptimizer-ohjelmassa optimointi tapahtuu Yagin kaikkien elementtien pituuksien ja välimittojen suhteen, mutta silläkin voi optimointi pysähtyä ns. pakalliseen maksimiin, josta se ei osaa ohitse. Pienellä muutoksella ja uudelleen optimoimalla useita kertoja lopputulos saattaa olla ns. globaali maksimi, jota paremmaksi Yagi ei niillä optimointiasetuksilla voi tulla.
HF- ja VHF-alueen antenneissa pitää usein myös huomioida niiden laajojen suuntakuvioiden ja aallonpituuksina vähäisen korkeuden mukanaan tuoma maanpinnan vaikutus. Sekä Yagimax, että MMANA sisältävät maanpinta-option, mutta paikallisen maakerroksen RF-sähkönjohtavuus on usein tuntematon ja mittaamaton suure ja sitä mallintaessa voi saada vain suuntaa-antavia tuloksia. Maanpinnan läheisyys kääntää suuntakuviota taivaalle, mutta myös kuormittaa ja aiheuttaa häviöitä antennin ympärillä kiertävien vuoviivojen upotessa häviöisen maan sisään. Maaston vaikutusten mallinnukseen on olemassa omia ohjelmistoja, kuten TerrainAnalyzer.
Mikroaalto-alueilla käytettäessä paraboli-antennia antennin vahvistus kullekin taajuudelle saadaan yksinkertaisesta kaavasta, joskin silloin pitää huomioida pinnan epätarkkuuden mukanaan tuoma ylin käyttökelpoinen taajuus. Paraboliantennin syöttöelementtinä käytetään usein torvi-antennia, joihin löytyy eri keilanleveyksille mitoitusohjetaulukoita. Joskus alemmilla mikroaaltotaajuuksilla käytetään syöttöelementtinä myös Yagia, Helixiä, tai heijastin-syöttöelementti-järjestelyä, joista osan suuntakuviota voi pelipinnan illuminaation suhteen optimoida tässä esitellyillä antenni-CAD ohjelmilla.
Siirtolinjat
Suurtaajuisten signaaleiden siirtäminen ei ole aina helppoa ja häviötöntä. Myös impedanssisovitus (impedanssi, Z, eli vaihtovirtavastus - joka ei ole sama kuin resistanssi, R, mutta sukua kyllä...) siirtolinjan molemmissa päissä pitää olla kohdallaan, muutoin ainakin osa tehosta heijastuu takaisin tulosuuntaansa ja sahaa siirtolinjassa edestakaisin, kunnes se osittain on häviöiden takia lopulta muuttunut lämmöksi. Tätä ilmiötä voisi simuloida pitkällä pyykkinarulla: täräytä toista päätä ja seuraa kun aaltoliike etenee narua pitkin sen toiseen päähän. Sieltä se heijastuu takaisin ja kimpoilee edestakaisin päiden välillä vaimentuen, kunnes kaikki annettu liike-energia on hukkunut häviöihin (lähinnä kai lämmöksi). Koska liike-energia heijastui takaisin toisesta päästä narua, sovitus oli huono, eli sähköisesti ajatellen toisessa päässä oli oikosulku, tai se oli poikki. Jos sovitus olisi ollut kohdallaan, kaikki toiseen päähän asti siirtynyt energia olisi saatu siellä siirrettyä ulos narusta jonnekkin eteenpäin, eikä mitään palaavaa aaltoliikettä olisi havaittu.
Vastaanottimien kanssa puuhasteltaessa impedanssisovituksen pielessä olo ei aiheuta suurta pamausta ja kitkerää savua, tai muuta ilkeää, eikä sitä käytännössä edes helposti huomaa, mutta oikeisiin sovituksiin kannattaa kuitenkin pyrkiä - ainakin niin kauan, kunnes tulee mitanneeksi vastaanottimen tuloimpedanssin kaikilla käytetyillä taajuuksilla ja toteaa sen heittelehtivä hyvinkin kaukana ilmoitetusta nimellisarvosta (esim. 50 ohmia, resistiivinen). Pistetaajuudella impedanssisovituksen voi toki optimoida, jos tietää mitä tekee ja pystyy toteamaan, tai mittaamaan saavutetut tulokset. No, joka tapauksessa mitään vanhaa sähköhellanjohtoa, tms. ei näihin harrastuksiin pidä antennikaapelina käyttää.
Jotta antennin syöttöpisteestä saataisiin antennin keräämä RF-teho vastaanottimen ensimmäiselle vahvistinasteelle, on välissä (mikroaaltovastaanottimia ehkä lukuun ottamatta) jonkin matkaa siirtolinjaa. Mikroaalloilla se voisi olla lähes häviötöntä aaltojohtoa, jossa ei ole mitään johtimia sisällä, mutta alemmilla UHF-, VHF-, jne... taajuuksilla käytetään yleensä koaksiaalikaapelia ja HF-alueella joskus ns. avolinjaa. Avolinja on kahden vierekkäisten johtimen muodostama symmetrinen (symmetric, balanced) siirtolinja, jonka dielektriset (eristeaine = ilma) häviöt ovat vähäiset. Avolinja on kuitenkin mekaanisesti hankala, kun sen pitää kellua vapaassa tilassa ja se on arka kosteudelle ja huurteelle, eikä sitä siksi juuri enää käytetä.
Koaksiaalikaapeli on ns. epäsymmetrinen (unbalanced) siirtolinja. Koaksiaalikaapeleita voidaan käyttää kaikilla taajuuksilla tasavirrasta aina 2...10 GHz:n asti. Kaapelin vaimennus kasvaa nopeasti taajuuden kasvaessa ja riippuu pääasiassa kaapelin halkaisijasta ja käytetystä eristeaineesta. Impedanssikin kyllä vaikuttaa häviöihin, eli on tehty kompromissi eristeaineen dielektristen häviöiden ja keskijohtimen resistiivisten häviöiden välillä (ohut keskijohdin - paksu eriste, tai paksu keskijohdin - ohut eriste). Hyvin paksuissa koaksiaaleissa käytetään eristeenä ilmaa (tai jopa kaasua) ja teflon-spiraalia, tai vaahtoa (foam), tai (ilmaa ja) polyeteeni-muovia, koska ilmalla on pienimmät dielektriset häviöt. Eristeainemateriaali vaikuttaa kaapelin nopeuskertoimeen, eli siihen miten nopeasti aalto etenee kaapelissa. Asialla on merkitystä systeemeissä, joissa halutaan saada signaalit perille tarkasti tietyn vaiheisina. Esim. yhdistettäessä antenniryhmän eri osista tulevia signaaleita yhteen, tulee vaiheistuskaapeleiden olla samoja tyypiltään ja mitoiltaan.
Koaksiaalikaapelin ulommassa johtimessa, eli vaipassa ei ole RF-jännitettä (lisäksi se yleensä maadoitetaan), eikä sen läpi pääse säteilyä, jos vaippa on tiivis (putki tai punos(folio)kaksoisvaippa). Koaksiaalin impedanssi riippuu sisäjohtimen halkaisijan suhteesta ulkojohtimen sisähalkaisijaan (d1/d2). Yleisimmät impedanssit ovat 52, 75, ja 92 ohmia, mutta muitakin löytyy väliltä 35...150 ohmia. Eristeaine vaikuttaa siihen, minkä impedanssisella kaapelilla saavutetaan vähäisimmät häviöt. Juuri ennen toista maailmansotaa keksityllä helposti työstettävällä muovilla, Polyeteenillä, pienimmät häviöt saavutetaan tekemällä kaapelista 51,4 ohmista. Ilmaeristeisellä koaksiaalilla vastaava impedanssi olisi 75-ohmia. Näin 52 ohmista tuli radiotekniikan ammattilaitteissa koaksiaalikaapeleille standardi-impedanssi (RG-8, RG-58, jne...), mitä käytettiin aikanaan myös koaksiaalilla toteutetuissa Ethernet-verkoissa. IMB:n Token-Ring ja ARCNET tietoverkot käyttivät 92 ohmista RG-62 kaapelia. Kulutuselektroniikka valitsi UHF-TV-aikakauden koittaessa viisaasti 75-ohmin impedanssin, mitä käytetään myös analogisissa videosignaalin siirtolinjoissa (RG-59). Näiden vaihtoehtojen seurauksena RF-koaksiaaleja ja liittimiä on impedanssiltaan erilaisia, joita ei pitäisi mekaanisista syistä, eikä ainakaan mikroaaltoalueilla sotkea keskenään. Lisäksi pitää huomioida, että koaksiaalilittimien taajuskaista rajoittuu liittimen tyypistä riipuen n. 500 MHz, 1 GHz, 2 GHz, 10 GHz, tms. tienoille ja sama koskee myös koaksiaalikapeleita, joskin useimmat niistä toimivat 6 GHz tienoille asti.
Sopivilla siirtolinjan pätkillä voidaan muuntaa impedansseja ylös, tai alaspäin. Yleisin tapa on käyttää neljännesaallon mittaista siirtolinjaa, joka impedanssi on neliöjuuri tulevan ja lähtevän impedanssin tulosta: Zx = SQR (Z1*Z2). Hienostuneemmin tämä toteutetaan useammassa peräkkäisessä portaassa, jolla saadaan kai leveämpi taajuusvaste. Siirtolinjan pätkä ei tietystikään toimi laajakaistaisena muuntajana, mutta siinä on hyvin pienet häviöt ja yksinkertainen rakenne. Samaa metodia käytetään UHF- ja SHF-alueilla sovittamaan strip-line-tekniikalla (mikroliuska) mm. vahvistinpuolijohteiden tulo- ja lähtöimpedansseja (katso 2,3 GHz konvertterin RF-astetta). Sama periaate toimii yhtä hyvin koaksiaalikapeleilla, joilla voi suorittaa antennien yhdistämisessä tarvittavan impedanssin muunnoksen: jos yhden antennin impedanssi on 50 ohmia, eli Z1=50 ohmia, (Z1)/4 = 12,5 ohmia (neljän antennin 50-ohmiset kaapelit kytketty rinnan), Zx = SQR(50*12,5) = 25 ohmia, eli väliin tarvitaan 1/4-aallon pätkä (nopeuskerroin huomioiden) 25-ohmin koaksiaalia. Sellaisen koaksiaalin saa tekemällä sen itse kahdesta sisäkkäisestä metalliputkesta.
Yksiköitä, terminologiaa ja lyhenteitä
- Hz, hertsi: taajuuden mittayksikkö, yksi jakso sekunnissa
- RF: Radio Frequency: radiotaajuus, radiotaajuinen, taajuus noin 9...25 kHz ylöspäin aina 300 GHz asti
- kHz: kilohertsi: 1000 Hz = 1*103 Hz
- MHz: megahertsi: 1000 kHz = 1*106 Hz
- GHz: gigahertsi: 1000 MHz = 1*109 Hz
- THz terahertsi: 1000 GHz= = 1*1012 Hz
- ELF band: ELF-taajuusalue 3...30 kHz
- VLF band: VLF-taajuusalue 30...300 kHz
- LF band: LF-taajuusalue 0,3...3 MHz
- HF band: HF-taajuusalue 3...30 MHz
- VHF band: VHF-taajuusalue 30...300 MHz
- UHF band: UHF-taajuusalue 300...3 000 MHz
- SHF band: SHF-taajuusalue 3...30 GHz
- EHF band: EHF-taajuusalue 30...300 GHz
- THF band: THF-taajuusalue 300...3000 GHz
- L-, S-, C-, K-, X-band: mikroaaltoalueen taajuuskaistoja
- Microwave band: mikroaaltoalue: n. 1...3 GHz yläpuoliset taajuudet 30 GHz asti
- Millimeter band: millimetrialue: taajuudet 30...300 GHz = EHF-alue
- Sub-millimeter band: alimillimetrialue (lambda <1 mm), taajuudet 300 GHz...3 THz = THF-alue
- dB: deci Bel: 1/10 Beli, logaritminen, vertaa kahta eri teho-, tai jännitetasoa keskenään: P1/P2[dB] = 10 * log (P1/P2) [W] tai U1/U2 [dB] = 20 * log (U1/U2) [V]
- dBf: tehotaso verrattuna 1 fW tehoon (deci bels above one femtowatt)
- dBm: tehotaso verrattuna 1 mW tehoon (deci bels above one milliwatt)
- dBW: tehotaso verrattuna 1 W tehoon (deci bels above one watt)
- μV: microvolt, (jännite), mikrovoltti: 1 μV = 0,000 001 volttia
- jansky (Jy): astronominen radiosäteilyvuon mittayksikkö, 1*10–26 W/neliömetri/hertsi
- NF: Noise Figure: kohinaluku, alhaisin ja paras mahdollinen arvo on 0 dB, lähtevän ja tulevan kohinatehon logaritminen suhde
- S/N ratio, SNR: Signal-to-Noise Ratio: signaalin / kohinan suhde, yleensä dB:nä, ~ C/N korjattuna RX:n kaistanleveydellä, lähetteen deviaatiolla, korkeimmalla modulointitaajuudella ja käytetyllä esi/jälkikorostuksella.
- N: Noise: kohina,
- Noise power: kohinateho = k * T * B (k=Boltzmanin vakio, 1,38*10–23 joulea/kelvin, T= lämpötila kelvineinä, B= kaistanleveys hertseinä)]
- Thermal noise: lämpökohina
- Thermal emission: lämpösäteily
- C: Carrier: kantoaalto
- C/N: Carrier-to-Noise ratio: kantoaallon suhde kohinaan, C/N=Pt+Gt+Gr+-Nr jossa Pt on lähetysteho [dBm], Gt ja Gr antenneiden vahvistukset [dB], Nr on NF*k*T*B
- B (Bw tai BW): Bandwidth: kaistanleveys
- G: Gain: vahvistus, ilmoitetaan yleensä dB:nä, dBd=dipoliin verraten ja dBi=isotrooppiseen ant. verr.
- T: Temperature: lämpötila, mittayksikkö yleensä kelvin.
- K: kelvin (lämpötilan mittayksikkö)
- k: kilo (103)
- M: mega (106)
- m: milli (10–3)
- μ: (mu) myy, mikro (10–6)
- RX: Receiver: vastaanotin
- IMD: Intermodulation distortion, keskeismodulaatiosärö
- Desensing: vastaanottimen tukkeutuminen, eli herkkyyden huononeminen voimakkaiden signaaleiden takia
- Selectivity: selektiivisyys, kyky estää viereisen kanavan tai läheisen taajuuden läpikuuluminen, vaimennus ilm. yleensä dB-arvoina soveltuvilla kaistanleveyksillä
- BPF: Band Pass Filter: kaistanpäästösuodin
- Cavity resonator: onteloresonaattori
- Strip-line: mikroliuskapiiri, mm. painopiirilevylle syövytetty siirtolinja (tai induktanssi, tai kapasitanssi)
- Velocity factor (Vf): nopeuskerroin, maksimi arvo on 1, vastaa valon nopeutta tyhjiössä
- SWR: Standing Wave Ratio, seisovanaallonsuhde, kuvaa impedanssisovitusta, minimi ja paras arvo = 1/1
- Waveguide: aaltojohto
- Stub: stubi, mm. impedanssin sovituselin, imupiiri, tms. lyhyt siirtojohdon pätkä (esim. Pawsey-stub)
- LPF: Low Pass Filter: alipäästösuodin
- HPF: High Pass Filter: ylipäästösuodin
- Attenuator: vaimennin
- Amplifier: vahvistin
- LNA: Low Noise Amplifier: vähäkohinainen suurtaajuusvahvistin
- LNB: Low Noise Block converter: vähäkohinainen konvertteri, eli taajuusmuunnin
- Down-Converter: taajuuden alaspäin muuntava konvertteri (Up-converter: muuntaa taajuuden ylöspäin)
- LO: Local Oscillator: paikallisoskillaattori, josta saadaan ns. injektio sekoittimelle
- XO: Crystal Oscillator: kideoskillaattori
- TCXO (TCO): Temperature Compensated (Crystal) Oscillator: lämpötilakompensoitu kideoskillaattori
- VCO: Voltage Controlled Oscillator: jännitesäädetty oskillaattori
- PLL: Phase Locked Loop: vaihelukittu silmukka, mm. perinteisen taajuussynteesin osa
- DDS: Direct Digital Synthesis: suorasyntetisointi, DDS-piiri muodostaa suoraan digit. ohjaustiedon mukaan halutun taajuuden, amplitudin ja aaltomuodon
- DDC: Digital Down converter, digit. taajuuden alasmuunnin
- Mixer: sekoitin: epälineaarinen komponentti: muodostaa kahdesta RF-signaalista suuren määrään sekoitustuloksia, josta voimakkaimmat ovat Flo-Frf ja Flo+Frf
- IF: Intermediate Frequency: välitaajuus
- IF amplifier: välitaajuusvahvistin: yleensä kiinteätaajuuksinen suuren vahvistuksen omaava vahvistin
- Detector: ilmaisin: muuntaa välitaajuisen-signaalin haluttuun muotoon
- Time constant: aikavakio: esim. RC-piirillä muodostettu, t = R * C, käyt. signaalin integroinnissa
- A/D-convertor: A/D-muunnin: muuntaa analogisen sähköisen tiedon digitaaliseen muotoon
- ADC: kts. edellinen
- DAC: Digital-to-Analog Converter, D/A-muunnin, muuntaa digitaalisen signaalin analogiseksi
- DSP: Digital Signal processing: digitaalinen signaalinkäsittely
- FFT: Fast Fourier transform: nopea Fourier-muunnos (DSP-käsitteistöä)
- MMIC: Microwave Monolithic Integrated Circuit: intergroitu mikroaaltomonoliittipiiri
- GaAs-FET: Gallium Arsenide Field Effect Transistor: Galliumilla ja arsenidilla seostettu kenttävaikutustransistori
- HEMT: High Electron Mobility Transistor: suuren elektroniliikkuvuuden transistori
- DBM: Doubly Balanced Mixer: kaksoisbalansoitu LO-signaalin läpivuotoa vaimentava taajuus-sekoitin
- RHCP: Right Hand Circular Polarisation, ympyräpolarisaatio myötäpäiv. (välimuotona lineaarisen polarisaatioon: elliptinen pol.)
- LHCP: Left Hand Circular Polarisation, ympyräpolarisaatio vastapäivään
- LPDA: Log Periodic Dipole Array: logaritmisperiodinen dipoliryhmä
- Balun: Balanced-Unbalanced: baluni, muuntaja (sovitus) epäsymmetrisestä siirtojohdosta symmetriseen tai päinvastoin
- GP: Ground Plane antenna: maatasoantenni
- PCM: Pulse Code Modulaton: pulssimodulaatio (eri tyyppejä: PWM, PAM, PPM...)
- Phase Modulation: vaihemodulaatio
- FM: Frequency Modulation: taajuusmodulaatio
- AM: Amplitude Modulation: amplitudimodulaatio (kantoaalto ja molemmat sivunauhat)
- DSB: Double Side Band: kaksisivunauhainen (sivunauhat: USB ja LSB)
- SSB: Single Side Band: (yksi)sivunauhainen, sivukaista
- BFO: Beat Frequency Oscillator, beat-oskillaattori
Säteilyvuo: 1 jansky = 10–26 W/m2/Hz
Paraboliantennin vahvistus: G [dBi] = 10 * log((0,55 * (3,141*D)2) / λ2)
jossa λ on aallonpituus metreinä (300 / f (MHz)), D on antennin halkaisija (m)
Antennin tehollinen apertuuri neliömetreinä (m2): A = (G * λ2) / (12,56)
jossa G on dBi:nä
Antennin vahvistus desibeleinä (dB): G = 10 * log(G)
Radioteknisiä insinööriyksiöitä: 0 dBm = 0,001 W = 1 mW = 707 mV RMS (50 ohm) = +117 dBμV -100 dBm = 0,0001 pW = 2,25 μV RMS (50 ohm) = +7 dBμV
Nostalgianurkkaus
Grote Reberin vuonna 1938 paraboliantennin syöttöpisteessä sijainneen 160 MHz vastaanottimen piirikaavio olisi voinut olla suunnilleen tämänkaltainen.
Reber käytti juuri näitä radioputkia vastaanottimessaan, 954 pentodeja vahvistimina ja 9006 diodia ilmaisimena.
Radioteknisiä linkkejä
SETI-liigan tekniikkasivuVähäkohinaisia GaAs FETtejäVähäkohinaisia HEMTejä- Tunnetun RF-IF-komponenttivalmistajan sivut (Mini-Circuits)
- SSB-Electronic, konverttereita ja esivahvistimia
KUHNE electronic, esivahvistimiaKUHNE electronic, konverttereitaRF-Microwave Italy, RF-komponenttien jälleenmyyjä- SP-elektroniikka, mm. RF-komponenttien jälleenmyyjä
- RFCandy, RF-ylijäämäkomponenttien jälleenmyyjä
- RF Cafe, taulukoita, laskimia, artikkeleita, jne.
- Ohjelmatyökaluja
Näköissivu
- PDF-näköissivu (wiki)